EasyManua.ls Logo

Delfield 8159-EFP - Page 33

Delfield 8159-EFP
44 pages
Print Icon
To Next Page IconTo Next Page
To Next Page IconTo Next Page
To Previous Page IconTo Previous Page
To Previous Page IconTo Previous Page
Loading...
Part Number: 9291458 REV00 12/19 33
Section 2 Installation
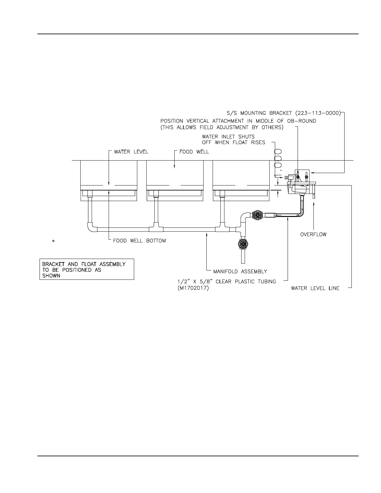
APPLICABLE TO N8700 MODELS
1. Locate mounting holes on outside operator drop-in body and mount float and bracket using thumb screws.
2. Install drain plumbing as shown.
3. Connect clear plastic tubing to 1/2” copper stub and connect to the float. Use hose clamps to secure.
4. Connect fill line to 1/4” compression fitting.
5. Loosen thumb screws to achieve desired water level.
NO CONNECTION
NEEDED

Related product manuals