EasyManua.ls Logo

Delta VFD300VL43A-J - Description of Wiring

Delta VFD300VL43A-J
149 pages
To Next Page IconTo Next Page
To Next Page IconTo Next Page
To Previous Page IconTo Previous Page
To Previous Page IconTo Previous Page
Loading...
2-2
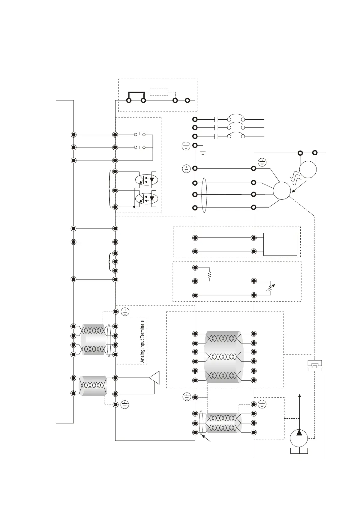
2-1 Description of Wiring
Users must connect wires according to the circuit diagrams on the following pages.
Standard wiring diagram of the VFD-VJ Hybrid servo drive in factory
RC
RA
RB
MO1
MO2
SON
RES
MI3
MI4
MI5
COM
PI
ACM
QI
ACM
L1
L2
L3
R
S
T
U
V
W
COM
EMG
R1
R2
S2
S4
S1
S3
PG Card
14,16
13,15
5
4
7
9
Resolver
+V
-V
+24V
ACM
PO
AC
FAN
220V/380V
M
3~
U
V
W
MCM
AFM
ACM
0~10Vdc/2mA
+1
+2/B1
B2
-
Note 3
*
AUI
+10V
ACM
R
Note 4
*
Output terminal
Controller
M
a
l
f
u
n
c
t
i
o
n
I
n
d
i
c
a
t
o
r
Start Oil
Pump
Reset
Unused
Pressure
Command
Brake Resistor (optional)
Note 1*
Unused
input terminal
Note 2*
B
l
o
w
a
i
r
t
o
t
h
e
e
l
e
c
t
r
o
m
o
t
o
r
Protection
switch for
electromotor
overheating
Please use the
enclosed clips
Pressure Sensor
output
Thermal
resistor
Flow Rate
Comman
d
Set as output frequency
as manufactured
Feedback
Signal

Table of Contents

Related product manuals