EasyManua.ls Logo

Denon ADV-700

Denon ADV-700
128 pages
To Next Page IconTo Next Page
To Next Page IconTo Next Page
To Previous Page IconTo Previous Page
To Previous Page IconTo Previous Page
Loading...
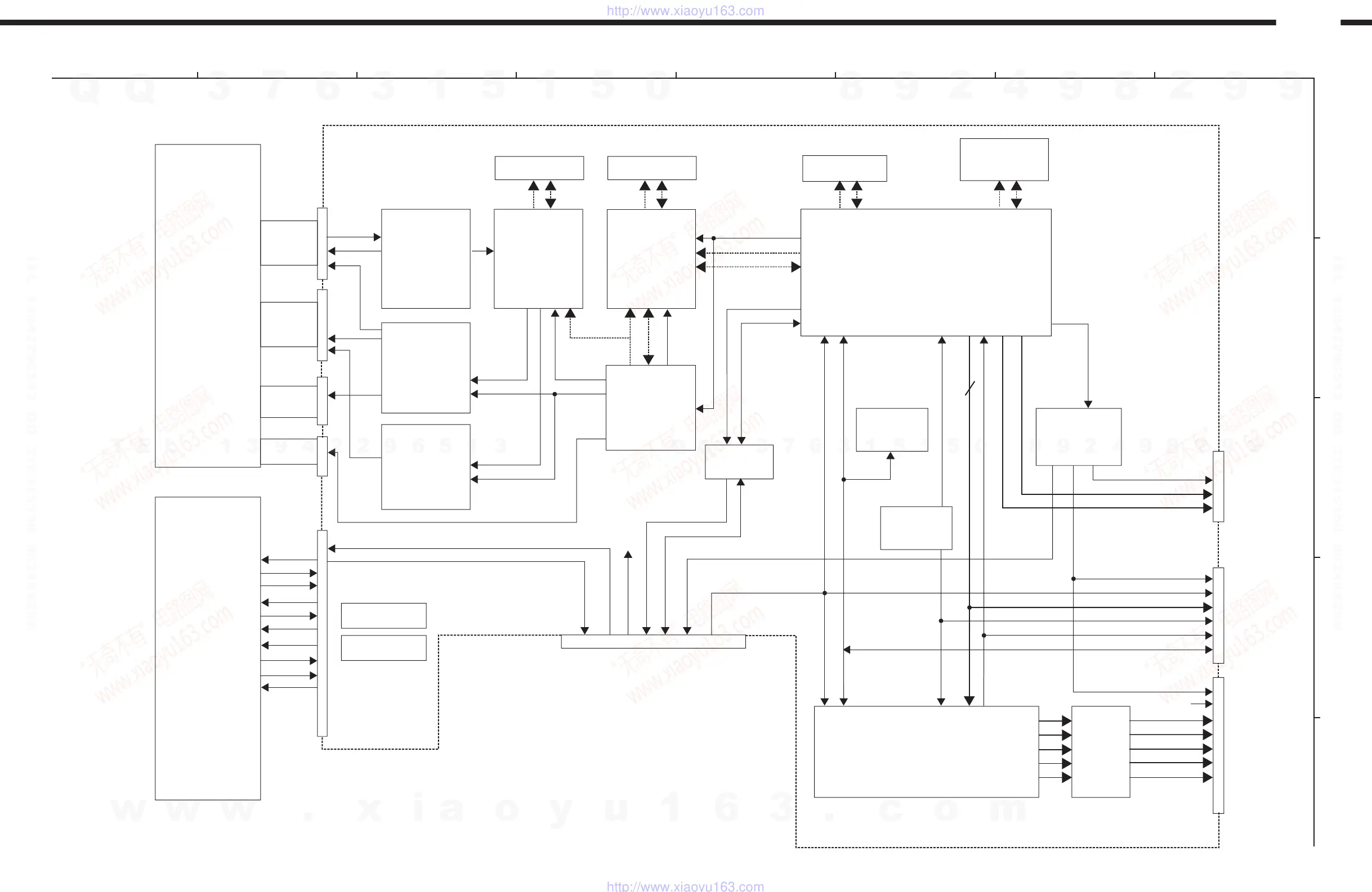
DVD DRIVE
MECHA
UNIT
FRONTE
ND
PROCES
SOR
[TA129
3F]
4ch MO
TOR
DRIVER
[BA595
2FP]
SPINDLE
MOTOR
DRIVER
[AN8471]
4M DRAM 4M DRAM
DISC SERVO
PRO
CESSOR
[TC9453F]
ATAPI
INTERFACE
DVD DECO
DER
[TC946
9BF]
DRIVE
CONTR
OL
m
-COM
[TMP95CW64F]
MAIN
UNIT
MAIN UNIT
1U-3358-1
1U-3358-1
+3.7V REG.
+3.3V[D
1]REG.
[TC
7WT
125]
DVD
PROCESSOR
[ES4408]
16M
SDRAM
x2
8M FLASH ROM
[HY29F080T]
E2PROM
[S24C01A]
I/O EXPANDER
[HCT273]
27MHz
OSC
BUFFER
AMP
VIDEO EN
CODER
[ADV7172]
24P FFC
15P
FFC
5P P
H
3P PH
+5V[USW]
+5V[V]
+5V[D1]
GND[D1]
GND[V]
GND[A]
+12V[M]
+5V[D2]
GND[D2]
96k,DEEM,/DFRE
S
TSDO,TWS,TBCK
,MCLK
SPDIF
PROG/INT
/RST
YVU0~7
27M
HSYNC,VSYNC
SDA,SCL
VIDCNTL1,2,RGB-H
+5V[V]
G/Y
B/Cb
R/Cr
Y
C
HSYNC
VSYNC
8
LD8~15
/RST
HRESET
DMO,TRD
DMO
DATA
CS,CLK
ON/ST
PDET
(+5V[D])
/DFRES
/RST
/RST
I C BUS
2
DVD MAIN UNIT GU-3333
VIDEO PWB UNIT
1U-3359-3
DSP PWB UNIT
1U-3360
ADV-700 BLOCK DIAGRAM (1/2)
(Mechanism section)
8
76
5
4
3
2
1
A
B
C
D
E
ADV-700
12
BLOCK DIAGRAMS
w
w
w
.
x
i
a
o
y
u
1
6
3
.
c
o
m
Q
Q
3
7
6
3
1
5
1
5
0
9
9
2
8
9
4
2
9
8
T
E
L
1
3
9
4
2
2
9
6
5
1
3
9
9
2
8
9
4
2
9
8
0
5
1
5
1
3
6
7
3
Q
Q
TEL 13942296513 QQ 376315150 892498299
TEL 13942296513 QQ 376315150 892498299
http://www.xiaoyu163.com
http://www.xiaoyu163.com

Other manuals for Denon ADV-700

Related product manuals