EasyManua.ls Logo

Denon AVR-1705

Denon AVR-1705
75 pages
To Next Page IconTo Next Page
To Next Page IconTo Next Page
To Previous Page IconTo Previous Page
To Previous Page IconTo Previous Page
Loading...
SIGNAL LINE
1234567891011
A
B
C
D
E
F
G
H
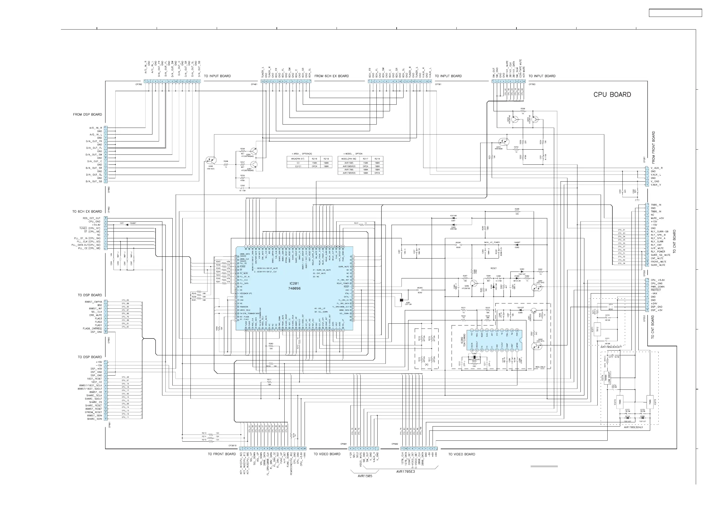
SCHEMATIC DIAGRAMS (4/10)
AVR-1705/685/1505/485
SCHEMATIC DIAGRAMS (4/10)
CPU UNIT

Other manuals for Denon AVR-1705

Related product manuals