EasyManua.ls Logo

Denon AVR-1723 - Page 38

Denon AVR-1723
186 pages
Print Icon
To Next Page IconTo Next Page
To Next Page IconTo Next Page
To Previous Page IconTo Previous Page
To Previous Page IconTo Previous Page
Loading...
MAIN+B
MAIN-B
AC CORD
RELAY
!
!
!
MAIN TRANS
S2 TOTAL : 437.3mA
!
S4(FILAMENT)
S3(FL+Vdisp)
S2(+12V,-12V)
S1(AMP+B,-B)
NJM7812FA
NJM7912FA
FILAMENT AC
A+12V
DA+5V
A-12V
Vdisp(+37V)
KIA7805BPI
+5.2V
MAIN PWR ON
TUNER+5V
FILAMENT AC
KIA7905PI
V-5V
KIA7805BPI
V+5V
MTZ7.5B
MTZ7.5B
VOLUME IC
(NJU72340A)
VOLUME IC
(NJU72340A)
MCU_3V3/MICOM
SWM3.3V/LEVEL_CHG
DA3.3V/DIR,DSP
EX3AV(+1.1V)
EX3AV(+3.3V)
NJM2845DL133
CEC5V
CEC3V3/HDMI
DA1.1V/DSP
NET1.2V/NETWORK
+1V8H/HDMI
NET3.3V/NETWORK
D5V/VBUS
DV5V/HDMI
(ADV7623)
982mA
(ADV7623,
MX25L3206E,ADV3002,AD8195,TC74VHC4051AFT)
314mA 25mA
(DM860A,SLI11131)
610mA
(DM860A , SLI11131 , W9825G6JH-6 , H27U1G8F2BTR-BC , LAN8720ACPTR)
70mA 60mA
(R5F56108VNFP,R1EX24256BSAS0A,VFD)
(ADV3002,AD8195)
30mA
(AK4358VQ,AK5358)
50mA
85mA 27mA
(AZ4580,SPK RELAY)
21mA
(ADSP21487)
1304.62mA
(ADSP21487,W9864G6JH,EPM3032,LC89058,TC74VHCU04,MX29LV160)
0.2mA 400mA 225mA 40mA 0.02mA
(SN74LVC244APWR,TC74VHC08)
0.02mA
(NJM2595)
22mA
50mA
166.1mA
112mA
22mA
20.2mA
68mA
163mA
695.22mA
743.02mA
294mA
960mA
982mA
1304.62mA
0.06mA
110mA
TOTAL : 1080.4mA
TOTAL : 1732.24mA
TOTAL : 982mA
TOTAL:1304.62mA
TOTAL : 110.06mA
145.1mA(44.2*3+12.5)
SMPS TOTAL : 6169.32mA
30mA
80mA
45mA
EX3AV(+1.8V)
100mA 5mA
EX3AV(+1.2V)
1000mA
30mA 54mA
170mA
1732.24mA
0.04mA
5mA
110.06mA
50.4mA
20.4mA
234mA
(NJM2595)
22mA
MCU+5V
(CVDBLBJEGJ204L)FRONT LED
30mA
30mA
22mA
TOTAL : 960mA
1304.62mA
982mA
960mA
6379.32mA
AVR1713 E3 ONLY
350mA
0.02mA
NJM2845DL133
45mA
DA+3.3V (PCM5100)
1
3
4
2
S
G
D
12
3 4
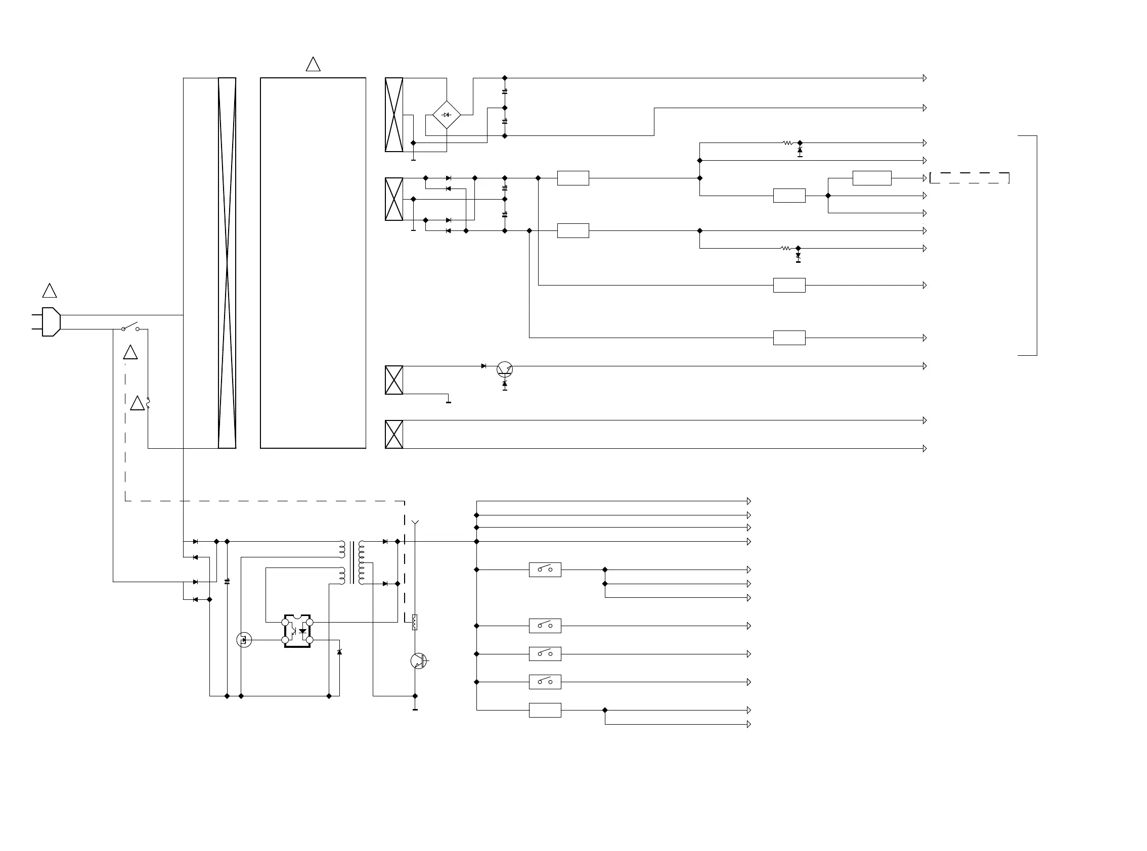
POWER BLOCK DIAGRAM
38

Table of Contents

Related product manuals