EasyManua.ls Logo

Denon AVR-3803 - Page 11

Denon AVR-3803
84 pages
Print Icon
To Next Page IconTo Next Page
To Next Page IconTo Next Page
To Previous Page IconTo Previous Page
To Previous Page IconTo Previous Page
Loading...
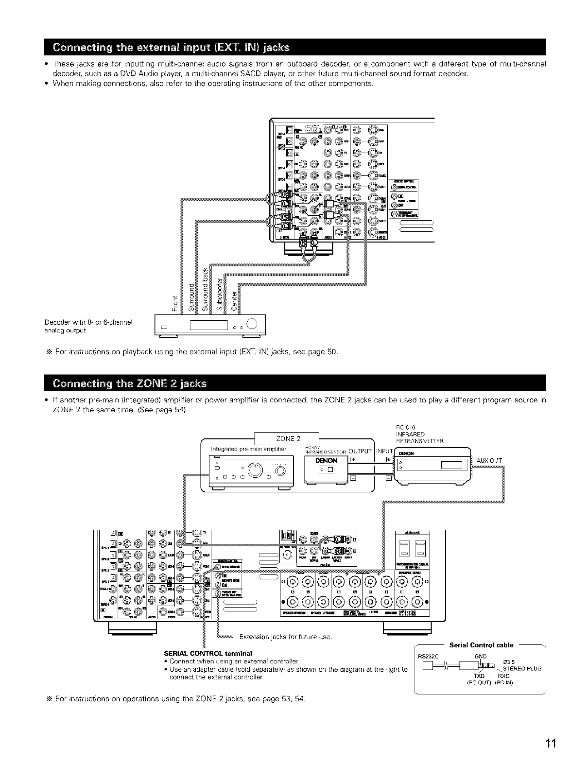
These jacks are for inputting multi-channel audio signals from an outboard decoder, or a component with a different type of multi-channel
decoder, such as a DVD Audio player, a multi-channel SACD player, or other future multi-channel sound format decoder.
When making connections, also refer to the operating instructions of the other components.
Oe°° °rw th0°r0 "anne'lanalog output _ o
For instructions on playback using the external input (EXT. IN) jacks, see page 50.
if another pre-main (integrated) amplifier or power amplifier is connected, the ZONE 2 jacks can be used to play a different program source in
ZONE 2 the same time. (See page 54)
RC 616
INFRARED
ZONE 2 RETRANSMFFER
Integrated pre main amplifier RC_17
o O O" ,] _ !_INF_AREDSENSOR OUTPUT INPUT _*ION
o _ I AuX°UT
o © © ©
Extension jacks for future use
SERIAL CONTROL terminal
Connect when using an external Controller
Use an adapter cable (sold separately) as shown on the diagram at the dght to
conllect the external controller
For instructions on operations using the ZONE 2 jacks, see page 53, 54.
-- Serial Control cable --
RS2320 GND
TXD RXD
(PCOUT) (Pc IN)
11

Other manuals for Denon AVR-3803

Related product manuals