EasyManua.ls Logo

Denon AVR-4308CI

Denon AVR-4308CI
174 pages
To Previous Page IconTo Previous Page
To Previous Page IconTo Previous Page
Loading...
87654321
A
B
C
D
E
F
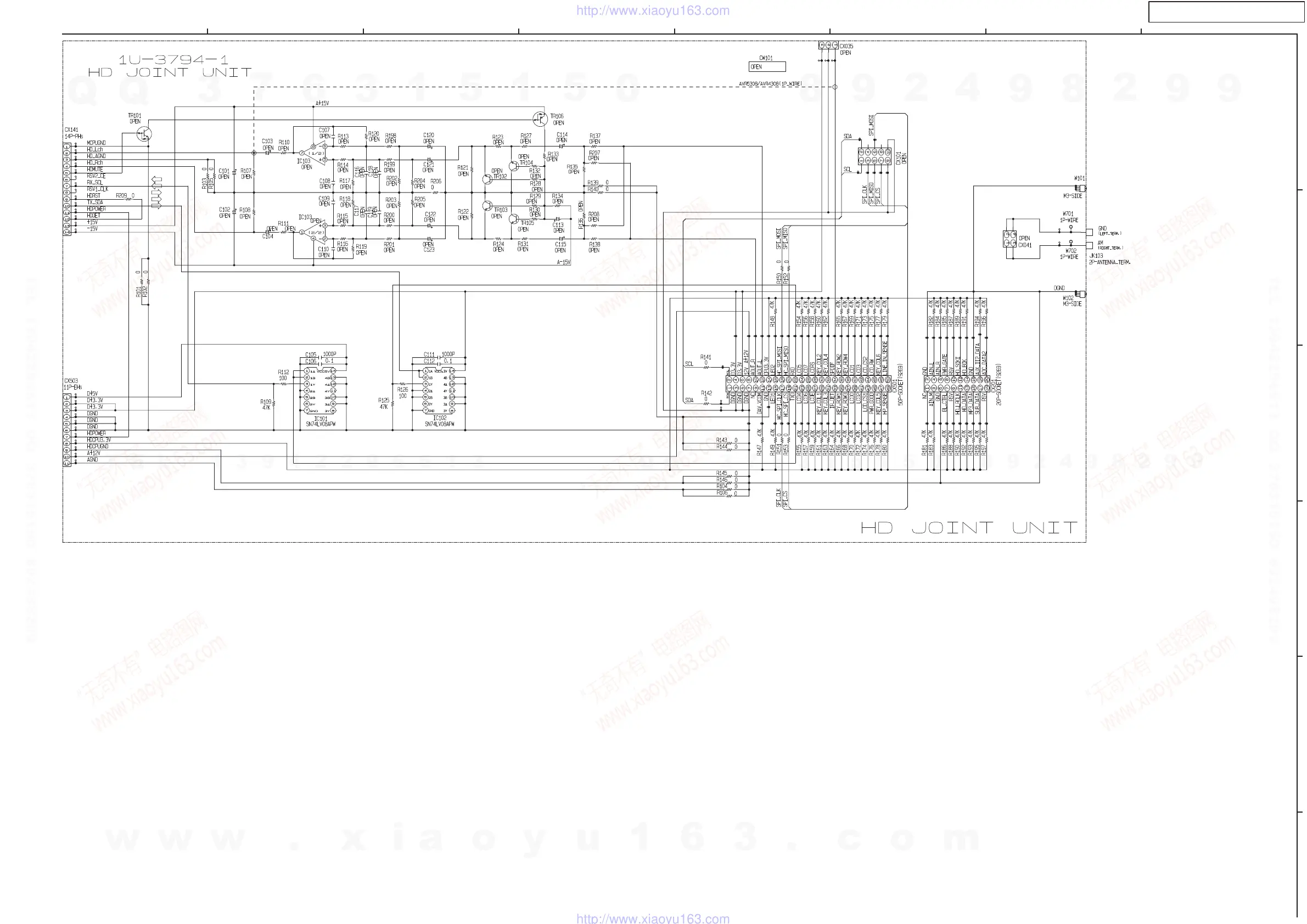
SCHEMATIC DIAGRAMS (38/38)
AVR-4308CI / AVR-4308
SIGNAL LINE
SCHEMATIC DIAGRAMS (38/38)
1U-3794 HD JOINT UNIT(AVR-4308CI model)
1U-3794-1 HD JOINT UNIT
w
w
w
.
x
i
a
o
y
u
1
6
3
.
c
o
m
Q
Q
3
7
6
3
1
5
1
5
0
9
9
2
8
9
4
2
9
8
T
E
L
1
3
9
4
2
2
9
6
5
1
3
9
9
2
8
9
4
2
9
8
0
5
1
5
1
3
6
7
3
Q
Q
TEL 13942296513 QQ 376315150 892498299
TEL 13942296513 QQ 376315150 892498299
http://www.xiaoyu163.com
http://www.xiaoyu163.com

Other manuals for Denon AVR-4308CI

Related product manuals