EasyManua.ls Logo

Denon AVR-4308CI

Denon AVR-4308CI
174 pages
To Next Page IconTo Next Page
To Next Page IconTo Next Page
To Previous Page IconTo Previous Page
To Previous Page IconTo Previous Page
Loading...
73
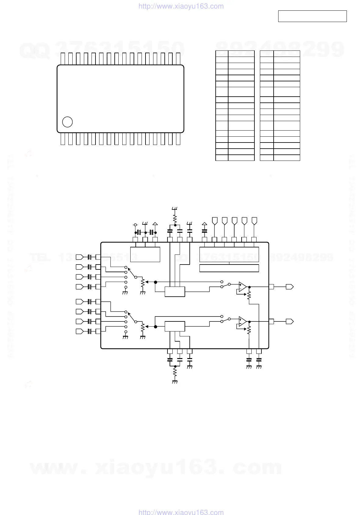
AVR-4308CI
NJW1194V (AC : IC302,303)
Block Diagram
No.
Pin Name
Pin Name
No.
1
InA1
17 Tone_Ba2b
2 InA2 18 Tone_Ba1b
3 InA3 19 Tone_Tr1b
4InA4 20GND
5GND 21V-
6DCCAP_A
22 V +
7 GND 23 A DR0
8 Out A 24 A DR1
9 V DDOUT 25 Out B
10 DATA 26 GND
11 CLOCK 27 DCCAP_B
12 LATCH 28 GND
13 GND 29 I nB4
14 Tone_Tr1a 30 I nB3
15 Tone_Ba1a 31 I nB2
16 Tone_Ba2a 32 I nB1
17
16
1
32
Bias
V+ GND V-
Out A
OutB
In A1
In A2
In A3
In A4
In B1
In B2
In B3
In B4
Control Logic
CLOCK
DATA
LATCH
ADR1
ADR0
TONE
TONE
Ach Tone Filter
Bch Tone Filter
Zero Cross Detection
V-
w
w
w
.
x
i
a
o
y
u
1
6
3
.
c
o
m
Q
Q
3
7
6
3
1
5
1
5
0
9
9
2
8
9
4
2
9
8
T
E
L
1
3
9
4
2
2
9
6
5
1
3
9
9
2
8
9
4
2
9
8
0
5
1
5
1
3
6
7
3
Q
Q
TEL 13942296513 QQ 376315150 892498299
TEL 13942296513 QQ 376315150 892498299
http://www.xiaoyu163.com
http://www.xiaoyu163.com

Other manuals for Denon AVR-4308CI

Related product manuals