EasyManua.ls Logo

Denon DCD-3520 - System Wiring Diagram; Interconnection Schematics

Denon DCD-3520
51 pages
Print Icon
To Next Page IconTo Next Page
To Next Page IconTo Next Page
To Previous Page IconTo Previous Page
To Previous Page IconTo Previous Page
Loading...
44
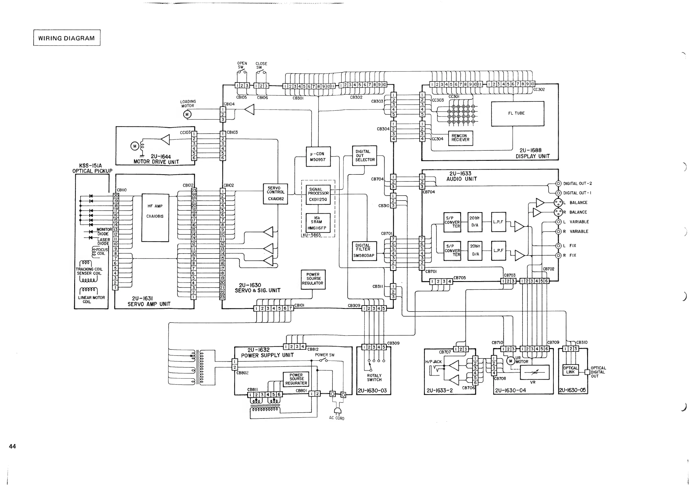
WIRING
DIAGRAM
KSS-I5IA
OPTICAL
PICKUP
SENSER
COIL
LINEAR
MOTOR
COIL
HF
AMP.
CXAIOBIS
U-I63|
SERVO
AMP
UNIT
LOADING
5
aS
|*[SloleSlale]s[o[s[=[o]
ole
soo]
=[u]ro]—)
OPEN
SW
CBIO5
POWER
CLOSE
SW
CBIO6
[
T2I3Hh
[218+
T2]3]415
[6]?
Te[opon
Hi
2131415
[617
1s]9h0)
Eitede
i
Ee
Pees
LURE
CONTROL
SIGNAL
PROCESSOR
CXDII25Q
CXAIO82
POWER
SOURSE
REGULATOR
Pistols
inna
fag
2U-16
[2
]3]4)
CB8I2
1632
SUPPLY
UNIT
DIGITAL
FILTER
SMS803AP
ROTALY
SWITCH
2U-1630-03
nD
oO
ol
2U-1633
ees
AUDIO
UNIT
is}
{3}
—
,Y
DIGITAL
OUT-2
(O)
DIGITAL
OUT-|
C
eBsis[slslr[elo
toh
ULC
TER
fee
Lt
]2]3]
4]
[1
{2]3
FY
[2]3}4]
5/6]
~
iil
IL.
y-)cB310
[i
]2}3
[2
]3]
415)
6)
[1
213
|
Tahug
HELL
| |
7]
o
('
J2]3
[4]
}6[7]8}9
|10}
Cc
2U-1688
DISPLAY
UNIT
BALANCE
BALANCE
VARIABLE
VARIABLE
Fix
FIX
|
_JOIGITAL
OUT
OPTICAL
aed

Related product manuals