EasyManua.ls Logo

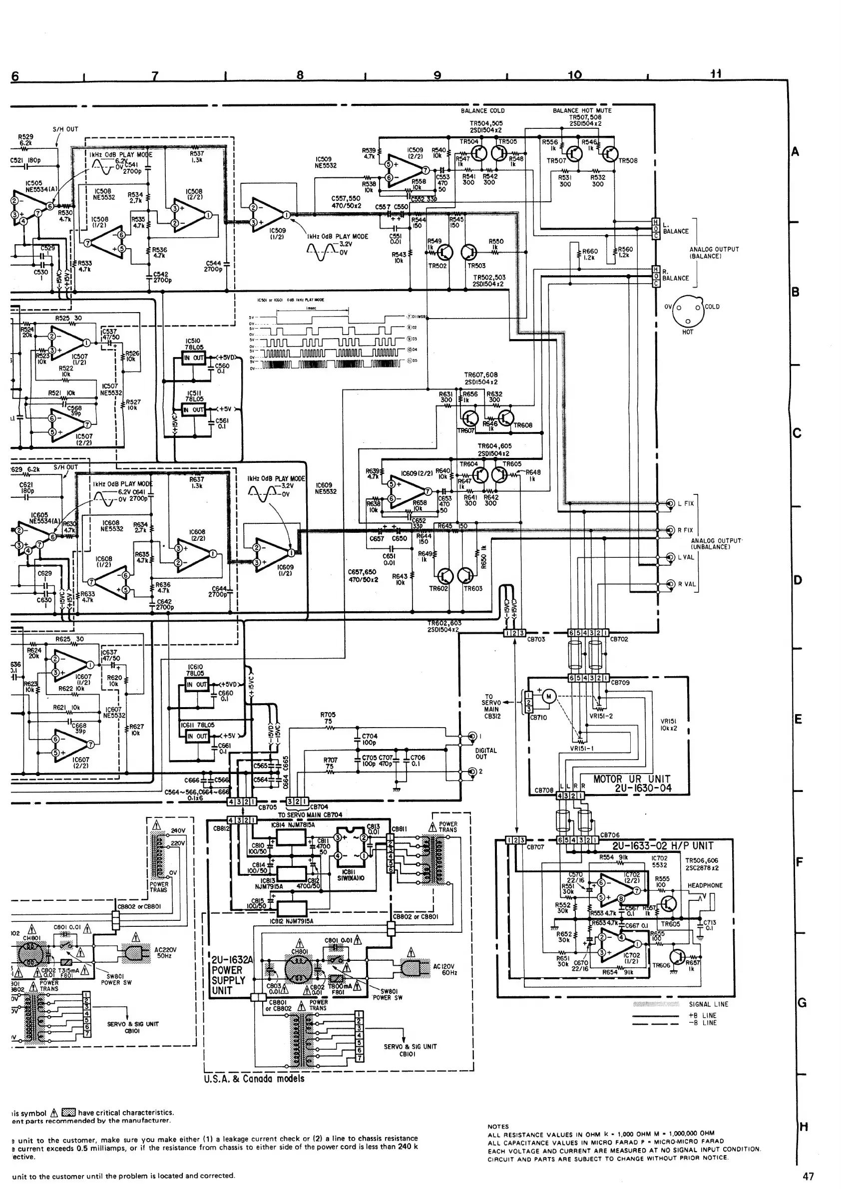
Denon DCD-3520 - Schematic Diagrams; 2 U-1633 Audio Unit Schematic

Denon DCD-3520
51 pages
Print Icon
To Next Page IconTo Next Page
To Next Page IconTo Next Page
To Previous Page IconTo Previous Page
To Previous Page IconTo Previous Page
Loading...
6
8
9
10
44
SEE
RT
CNS
-
a
meme
ee
el
BALANCE
COLD
BALANCE
HOT
MUTE
TRSO7,
508
S/H
OUT
TR504,505
2SD1504
x2
{
Si
CD
SOT
ard
OC
IC509
S
TT
R548
C)
\eBba
el
ree
R541
R542
Te
aS
557,550
470/50x2
IC509
=
es
(1/2)
kHz
OdB
PLAY
MODE
C55!
[+1]
Ee
—3,2V
0.01
-\---
Loy
R660
R560
ANALOG
OUTPUT
NP
R543
?
(BALANCE)
TR502,503
jn
a
ap
2801504
x2
cas
ICSOI
of
C601
O48
IkHr
PLAY
MODE
ov
COLD
4
|
:
|
a
ae
HOT
TR6O7,608
2801504
x2
TR604
,605
2SD1504x2
A
pL
aid
oo
ae
RSI
sccooter21
FEAOL
L
we
i
cr
Pose
!
jee
aaa
SEAN
OD
IkHz
OdB
PLAY
MODE!
oe
&
180p
WaWaMtan+
NE5532
7-8
\.
oy
2700p
c653
|
R641
R642
470
|
300
300
a
ro
L
FIX
O
IC608_
so
pg34
NE5532
37k
pH)
R
FIX
ANALOG
OUTPUT
(UNBALANCE)
ine
LVAL
ieee
R
VAL
i]
C65!
0.01
(657,650
470/50x2
R683
R602,60
2S01504x
IC607
R620
RE2a
(172)
10k
R622
1k
Los
i
CB709
ee
Lz
nee
|
IN
.
ai
CB3I2
cerio
Gaia;
a
lOkx2
'
DIGITAL
1
VRISI~1
c7os
cro7.L
Lcvos
OUT
{00p
470p
0.
2
SS
:
MOTOR
UR
UNIT
cB708
2U-1630-04
ET
|
OED
o
<a
ee
ey
c—p
POWER
|
{
|
ces!
TRANS
Lh
|
;
Tee
=
—esaiser2s
~-
2U-1633—-02
H/P
UNIT
TR506
,606
2SC2878
x2
IcBI3
cB
NIMGSISA
a7OO
HEADPHONE
C713
t
ia
ah
3
ao
i
Vee
edits
4
T_F80}
Sw8cl
POWER
SW
io
ti
:
|
|
ly
|
|
|
|
or
eesoe
(AN
TRANS
SIGNAL
LINE
ss
+B
LINE
ee
oa
=
BCLLINE
SERVO
&
SIG
UNIT
cBlol
SERVO
&
SIG
UNIT
Lo
SS
ee
U.S.A.
&
Canada
models
1is
symbol
A
have
critical
characteristics.
ent
parts
recommended
by
the
manufacturer.
NOTES
ALL
RESISTANCE
VALUES
IN
OHM
K
=
1,000
OHM
M
=
1,000,000
OHM
ALL
CAPACITANCE
VALUES
IN
MICRO
FARAD
P
=
MICRO-MICRO
FARAD
EACH
VOLTAGE
AND
CURRENT
ARE
MEASURED
AT
NO
SIGNAL
INPUT
CONDITION.
CIRCUIT
AND
PARTS
ARE
SUBJECT
TO
CHANGE
WITHOUT
PRIOR
NOTICE.
2
unit
to
the
customer,
make
sure
you
make
either
(1)
a
leakage
current
check
or
(2)
a
line
to
chassis
resistance
2
current
exceeds
0.5
milliamps,
or
if
the
resistance
from
chassis
to
either
side
of
the
power
cord
is
less
than
240
k
‘ective.
unit
to
the
customer
until
the
problem
is
located
and
corrected.
47

Related product manuals