EasyManua.ls Logo

Denon DHT-390XP - Page 80

Denon DHT-390XP
83 pages
Print Icon
To Next Page IconTo Next Page
To Next Page IconTo Next Page
To Previous Page IconTo Previous Page
To Previous Page IconTo Previous Page
Loading...
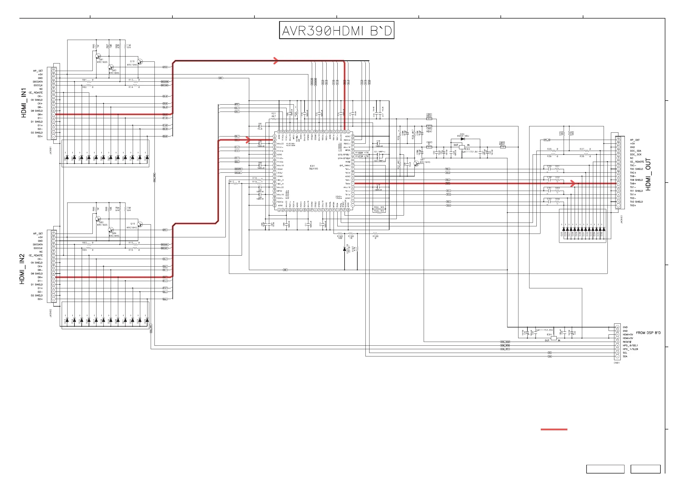
HDMI/TMDS SIGNAL LINE
AVR-390DHT-390XP
87654321
A
B
C
D
E
F
SCHEMATIC DIAGRAMS (4/7)
HDMI UNIT

Related product manuals