EasyManua.ls Logo

Denso RC5 - Page 143

Denso RC5
176 pages
Print Icon
To Next Page IconTo Next Page
To Next Page IconTo Next Page
To Previous Page IconTo Previous Page
To Previous Page IconTo Previous Page
Loading...
123
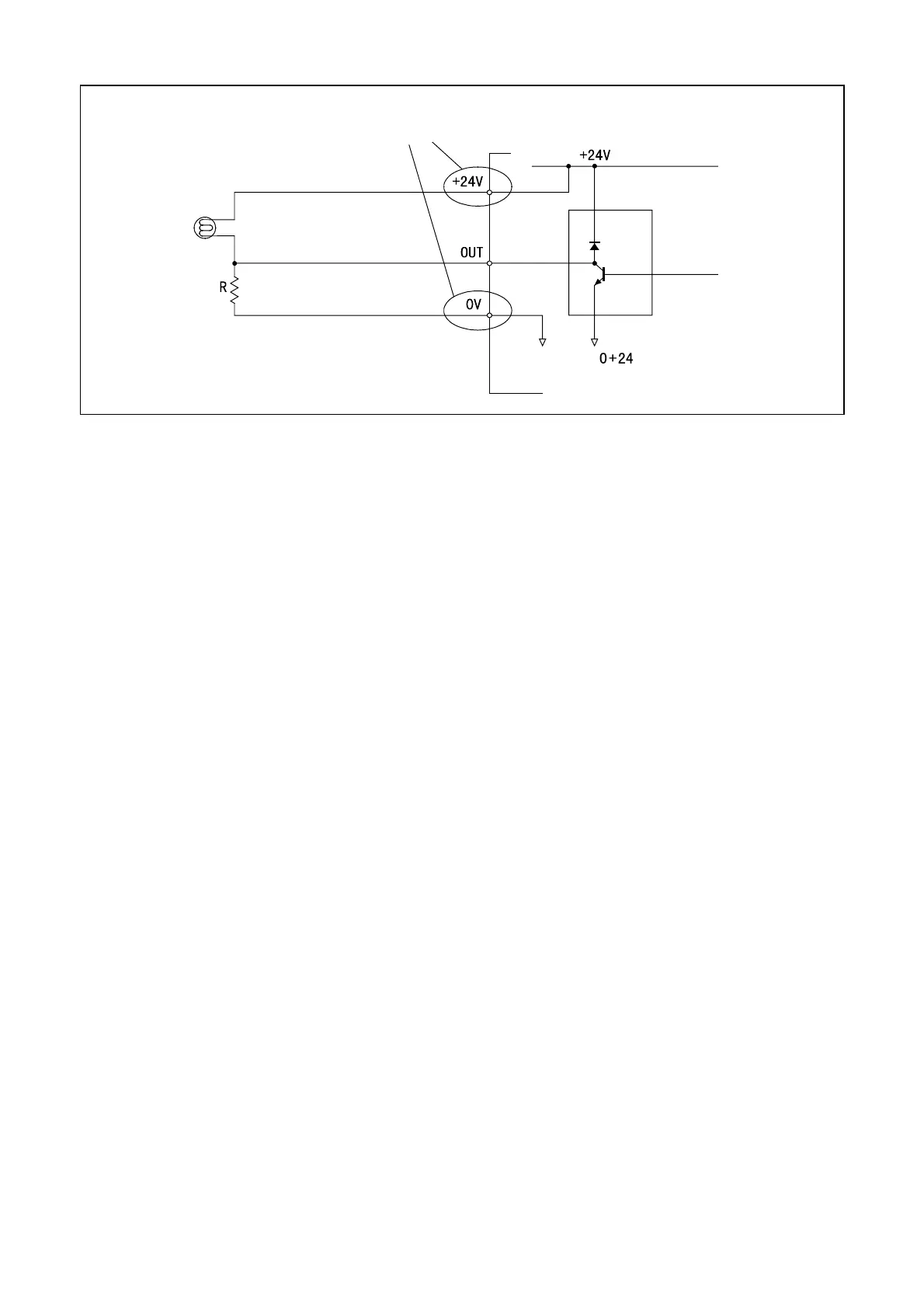
Example of Circuit with Lamp (NPN type)
Supplied from the I/O power connector
when the internal power source is used
Lamp
Transistor arra
y
Controlle
r

Table of Contents

Related product manuals