EasyManua.ls Logo

Denso RC5 - Page 145

Denso RC5
176 pages
Print Icon
To Next Page IconTo Next Page
To Next Page IconTo Next Page
To Previous Page IconTo Previous Page
To Previous Page IconTo Previous Page
Loading...
125
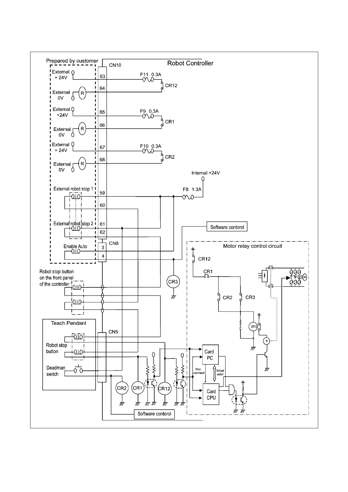
5.2.4.2 Dual emergency stop type
Emergency Stop Circuit (Dual emergency stop type)

Table of Contents

Related product manuals