EasyManua.ls Logo

Denso RC5 - Page 167

Denso RC5
176 pages
Print Icon
To Next Page IconTo Next Page
To Next Page IconTo Next Page
To Previous Page IconTo Previous Page
To Previous Page IconTo Previous Page
Loading...
147
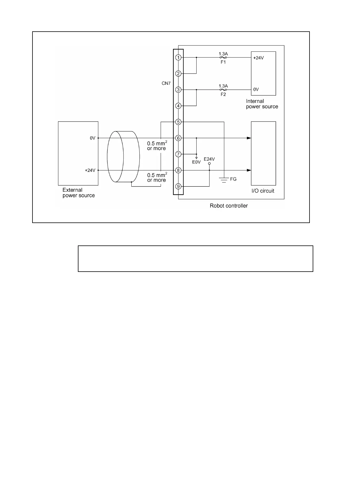
I/O Power Connection Sample (When an external power source is used) (PNP type)
Caution: Use a cable of 0.5 mm
2
or more in size for the wiring between the
external power source and the I/O power input connectors of the
robot controller.

Table of Contents

Related product manuals