EasyManua.ls Logo

Diamondback 1190 Sr - 1190 Sr Assembly Drawing

Diamondback 1190 Sr
44 pages
Print Icon
To Next Page IconTo Next Page
To Next Page IconTo Next Page
To Previous Page IconTo Previous Page
To Previous Page IconTo Previous Page
Loading...
6
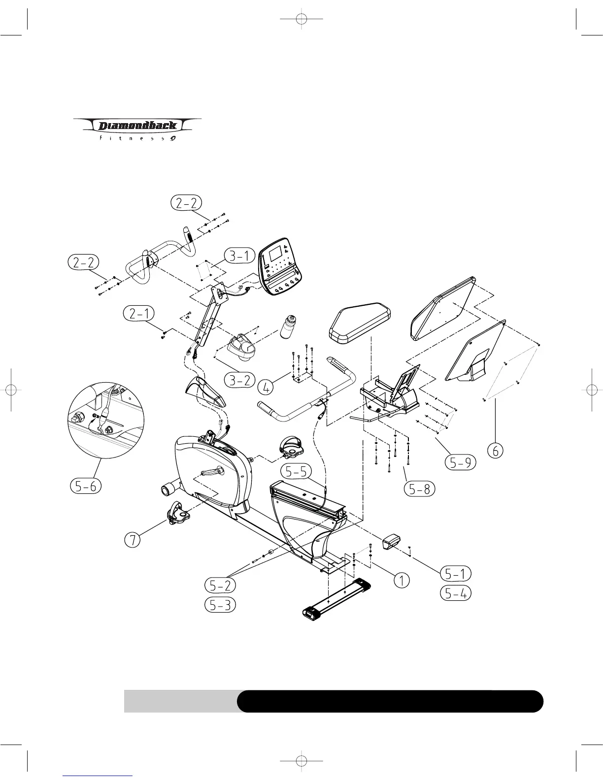
1190 Sr Owner’s Manual
Assembly Drawing
1190SROM 9/22/06 1:51 PM Page 8

Related product manuals