EasyManua.ls Logo

Digitrax DS64 - QuickStart Guide; Initial Setup Procedure

Digitrax DS64
20 pages
Print Icon
To Next Page IconTo Next Page
To Next Page IconTo Next Page
To Previous Page IconTo Previous Page
To Previous Page IconTo Previous Page
Loading...
©2007 Digitrax, Inc www.digitrax.com 2
D
D
i
i
g
g
i
i
t
t
r
r
a
a
x
x
C
C
o
o
m
m
p
p
l
l
e
e
t
t
e
e
T
T
r
r
a
a
i
i
n
n
C
C
o
o
n
n
t
t
r
r
o
o
l
l
R
R
u
u
n
n
Y
Y
o
o
u
u
r
r
T
T
r
r
a
a
i
i
n
n
s
s
,
,
N
N
o
o
t
t
Y
Y
o
o
u
u
r
r
T
T
r
r
a
a
c
c
k
k
!
!
Q
Q
u
u
i
i
c
c
k
k
S
S
t
t
a
a
r
r
t
t
Your DS64, as shipped from the factory, is set up for solenoid or bi-
polar turnout operation. Three wire (twin coil type) Peco
TM
or Atlas
Snap Switches
TM
or two wire bi-polar type turnout machines such as
Kato Unitrack
TM
, AristoCraft
TM
, or LGB
TM
turnouts are all supported and
ready to use right out of the box! Follow these steps to get up and run-
ning quickly*:
Unpack the DS64 and mount it in a location with easy access to the
turnouts you want to control.
Connect the DS64’s ‘TRKA and ‘TRKB’ terminals to your track.
If you are using LocoNet, connect one end of an RJ12 cable to either
of the DS64’s LocoNet sockets and connect the other end of the cable
to your existing LocoNet network.
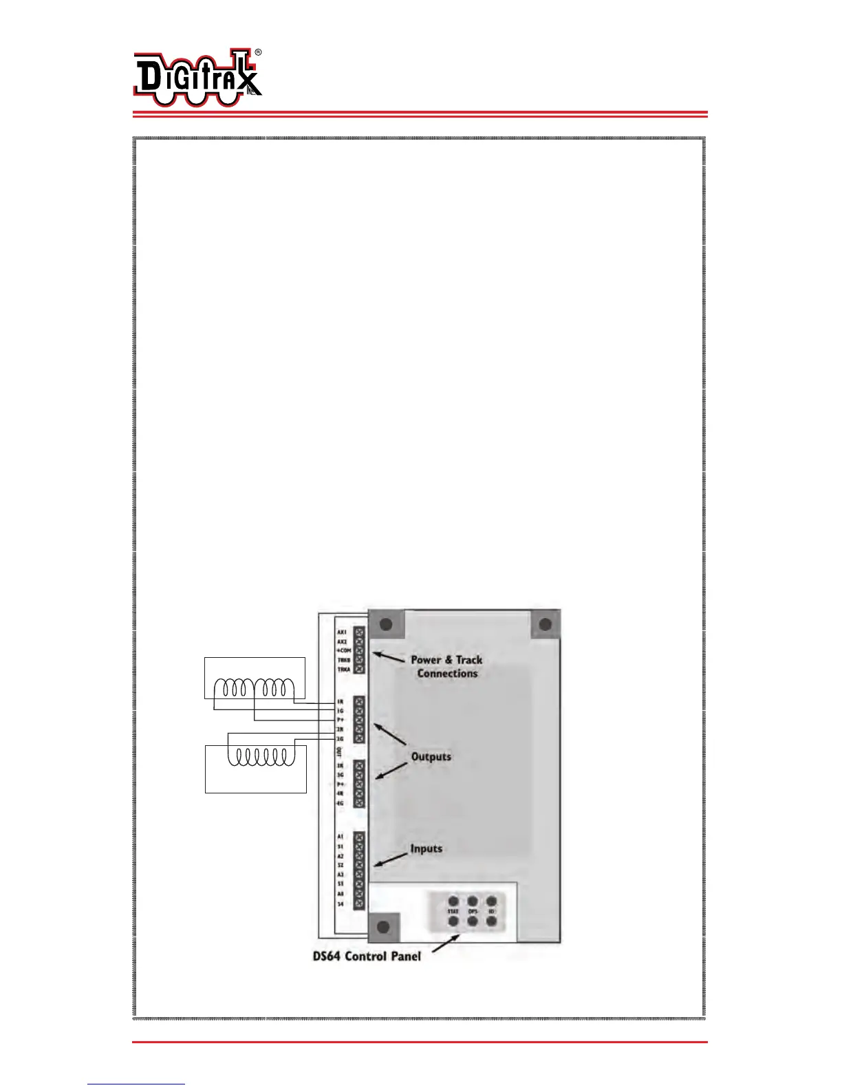
Wire your turnouts to the DS64 using the Figure below as your guide.
That’s it! Your DS64’s default turnout addresses are 01, 02, 03 and 04.
Using any DCC throttle, you can now operate your turnouts.
*NOTE: If you are using a slow motion type of turnout machine,
please refer to page 5 for setting up this type of turnout.
2 Wire (Bi-Polar) Solenoid
Turnout Machine
(Kato Unitrack, AristoCraft, LGB)
3 Wire Solenoid Turnout Machine
(Peco, Atlas and others)
Common +
See a larger
version of this
diagram on
page 6.
Note: In cases where
you are using multiple
devices with a com-
mon connection such
as 3-wire turnout
machines. use the
same common connec-
tion (P+) for both
This diagram
shows how sole-
noid and bi-polar
machines can be
connected on your
layout. You can
use any combina-
tion of machine
types shown here.

Related product manuals