EasyManua.ls Logo

Dimplex DHW 300 - Anschluss der Externen Komponenten; Connecting the External Components; Branchement de la Composants Externe; Elektroschema; Electrical Circuit Diagram; Schéma Électrique; Legende; Legend; Légende

Dimplex DHW 300
Print Icon
To Next Page IconTo Next Page
To Next Page IconTo Next Page
To Previous Page IconTo Previous Page
To Previous Page IconTo Previous Page
Loading...
www.glendimpex.de 451905.66.01a · FD 0102 A-V
DHW 300 - DHW 300+ Anhang · Appendix · Annexes
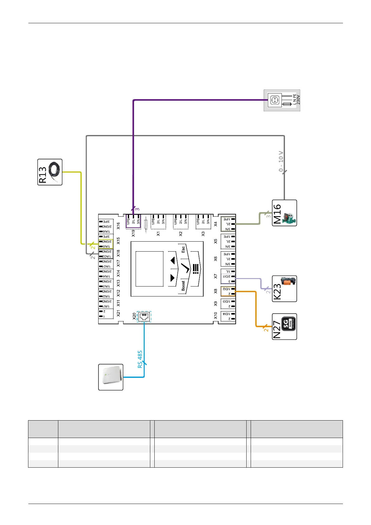
3 Elektroschema / Electrical circuit diagram / Schéma électrique
3.1 Anschluss der externen Komponenten / Connecting the external
components / Branchement de la composants externe
3.2 Legende / Legend / Légende
Klemme /
Terminal /
Borne
Externe Komponente External component Composant externe
X4 / M16 Umwälzpumpe (2. WE) Circulating pump (HG 2) Circulateur (2e GDC)
X7 / K23 Externe Sperre External block Blocage externe
X8 / N27 Photovoltaik Photovoltaic Photovoltaique
X15 / R13 Kollektorfühler Collector sensor Sonde de capteur

Table of Contents

Related product manuals