EasyManua.ls Logo

DINGLI BT30RT - Page 83

DINGLI BT30RT
90 pages
Print Icon
To Next Page IconTo Next Page
To Next Page IconTo Next Page
To Previous Page IconTo Previous Page
To Previous Page IconTo Previous Page
Loading...
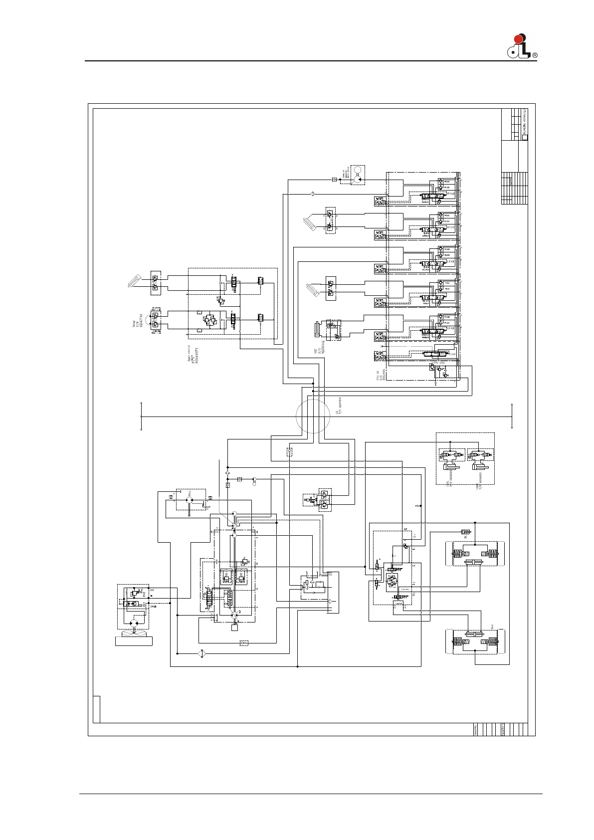
Schematic
79
E V 1 6
VBS
P/N
92100672
350 bar
350 bar
pilot ratio
4.5:1
pilot ratio
4.5:1
C1
C2
V1
V2
Signature
Date
Rev.
Date
Qty
Tab
File Code
Approved
Technology
Designed
Standardized
Checked
Confirm ed
Material:
Total Pages,No
Scale
Weight
1:1
S
ORIGINAL Drw No:
Creat
Qty
Tab
Hydraulic
schematic
51916
51916
210bar
Note:This schematic is applied
to BT28RT、BT26RT and BT24RT.
P/N
00002744
Hydraulic Schematic
Chassis
Turret
Turret
Chassis
Front
Chassis
valve
Main boom
Lifting
P/N
92048660
Main boom
telescopic
Jib level
P/N
92048642
E V 7
E V 5
1 5 l/ m in
E V 9
E V 9 A
E V 8
E V 6
D L
P 1
B R
M
25 bar
20,5 cc
420 bar
420 bar
90 cc
max
V2V1
T
HLE10-OPO
C2
1/4"-19
PR2
1/4"-19
PR1
1/4"-19
PL2
1/4"-19
PL1
1/2"-14
P
1/2"-14
T
PLATFORM
ROTATION
PLATFORM
LIFT
CP200-7
RV1
140 bar
RV08-DR
RV2
160 bar
CP124-1
LV2
PSV2
HLE10-OPO
C1
CP124-1
LV1
PSV1
E V 2 2 /
E V 2 3
E V 2 4 /
E V 2 5
TPL
TPR
140 bar
300 bar
pilot ratio
4:1
C2
C1
M1
M2
V2
V1
200 bar
pilot ratio
4:1
G
G
PRMP 064
A
B
A
4 bar
VU
E V 3
C 2
C 1
T
E V 12
E V 13
00001871
C1
C2
V1 V2
350 bar
350 bar
M
VU1
2 bar
250μm
2,5 bar
0,5 bar
0,1 bar
VA
15μm
5
5
4
4
2
2
1
1
3 3
G
E V 4
VU
p 1
p 1
p 1
p 1
p 3
c
d
a
Displacement 28cc
p max 265 bar/ Ls stand-by 20 bar
Jib lifting
P / N
9 2 0 4 9 2 7 3
VBSP
92049338
pilot ratio
4,2:1
pilot ratio
4,2:1
VBJ
pilot ratio
4.2:1
pilot ratio
2:1
350 bar
350 bar
VBJ
P / N
9 2 0 0 0 2
5 2
to P S
C 2
C 1
T
E V 10
E V 11
F D
F D
F D
F D
C S P
C S A
VU
VU
V B B
P / N 9 2 0 4 7 7 8 8
PFD
P/N
90028889
19cc
P / N 9 2 0 4 8 8 8 3
RA
P/N 92047752
P/N 92046398
PI
P/N 92046505
MI
P/N 92046506
PE
P/N
90005017
PS
P/N 90028882
Turret rotation
P/N 00006822
FAR
P/N 90018480
FA
P/N 92029476
V B B
P / N 9 2 0 4 7 7 8 9
P/N
90008919
P/N
92010235
P/N 92030355
P/N
90003092

Related product manuals