EasyManua.ls Logo

DINGLI BT30RT - Schematic

DINGLI BT30RT
90 pages
Print Icon
To Next Page IconTo Next Page
To Next Page IconTo Next Page
To Previous Page IconTo Previous Page
To Previous Page IconTo Previous Page
Loading...
Schematic
78
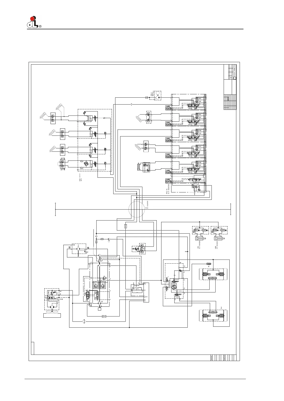
Hydraulic Schematic
F D
F D
F D
F D
C S P
C S A
V B B
P / N 9 2 0 4 77 8 8
VU
VU
B
A
Hydraulic Schematic
Chassis
Turret
Turret
Chassis
PFD
P/N
90028889
19cc
4 bar
VU
E V 3
E V 4
VU
p 1
p 1
p 1
p 1
p 3
c
Front
d
a
displacement: 28cc
p max 265 bar/ Ls stand-by 20 bar
P / N 9 2 0 4 88 8 3
RA
P/N 92047752
P/N 92046398
PI
P/N 92046505
MI
P/N 92046506
PE
P/N
90005017
PS
P/N 90028882
Turret rotation
P/N 00006822
FAR
P/N 90018480
FA
P/N 92029476
Chassis
valve
VBBP
P/N 92049335
Jib telescopic
P/N 92048747
Platform Level
P/N 92049052
VBBC
P/N 90029932
CC
P/N 92049046
Jib lifting
P/N 92049033
VBSP
P/N 92049338
Swing
P/N 92047710
Main boom
Lifting
P/N 92048660
Main boom
telescopic
P/N
Jib level
P/N 92048642
VRT
P/N 92055442
V B B
P / N 9 2 0 4 7 7 8 9
VBS
P/N
92100672
VBJ
P / N
9 2 0 0 0 2 5 2
C 2
C 1
T
E V 1 2
E V 1 3
P/N
90008919
P/N
00001871
P/N
92010235
P/N 92030355
P/N
90003092
C1
C2
V1
V2
350 bar
pilot ratio
4,2:1
350 bar
pilot ratio
4,2:1
M
VU1
2 bar
250μm
2,5 bar
0,5 bar
0,1 bar
VA
15μm
5
5
4 4
2
2
1
1
3
3
C1
C2
V1
V2
350 bar
pilot ratio
11:1
350 bar
pilot ratio
11:1
C1
C2
V1
V2
200 bar
pilot ratio
4,2:1
200 bar
pilot ratio
4,2:1
G
E V 7
E V 5
1 5 l/ m in
E V 9
E V 9 A
E V 8
E V 6
D L
P 1
B R
HLE10-OPO
C2
1/4"-19
PR2
1/4"-19
1/4"-19
PL2
1/4"-19
PL1
1/2"-14
P
1/2"-14
T
CP200-7
RV1
140 bar
RV08-DR
RV3
220 bar
RV08-DR
RV2
160 bar
1/4"-19
L2
1/4"-19
L1
RPC04
X
RPC04
Y
200 bar
CP200-2
RV6
200 bar
CP200-2
RV5
CP124-1
LV2
PSV2
HLE10-OPO
C1
CP124-1
LV1
PSV1
HLE10-OPO
C3
1/4"-19
TP2
1/4"-19
TP1
CP124-1
LV3
PSV3
CP308-1
FC
SV
SV08-34-05
RV08-DR
RV4
130 bar
E V2 0 E V 2 1 E V2 2
E V2 3
E V2 4
E V2 5
E V2 6
E V2 7
TPR
PR1
CP124-1
LV3
TPL
TTP
TL
140 bar
M
25 bar
20,5 cc
420 bar
420 bar
90 cc
max
V2V1
T
300 bar
pilot ratio
4:1
C2 C1
M1
M2
V2
V1
200 bar
pilot ratio
4:1
C 2
C 1
T
G
E V 1 0
E V 1 1
G
PRMP 064
A
210bar
Note:This schematic is applied to
BT30RT and BT26SRT.
P/N
00002744
Signature
Date
Rev.
Date
Qty
Tab
File Code
Approved
Technology
Designed
Standardized
Checked
Confirm ed
Material:
Total Pages,No
Scale
Weight
1:1
S
ORIGINAL Drw No:
Creat
Qty
Tab
Hydraulic
schematic
46460
350 bar
350 bar
pilot ratio
4.2:1
pilot ratio
2:1
46460
E V1 6
350 bar
350 bar
pilot ratio
4.5:1
pilot ratio
4.5:1

Related product manuals