EasyManua.ls Logo

dirna Bergstrom COMPACT 1.4 - Schéma Électrique; Avis Important

dirna Bergstrom COMPACT 1.4
Print Icon
To Next Page IconTo Next Page
To Next Page IconTo Next Page
To Previous Page IconTo Previous Page
To Previous Page IconTo Previous Page
Loading...
FR
18
COMPACT 1.4
®
FR
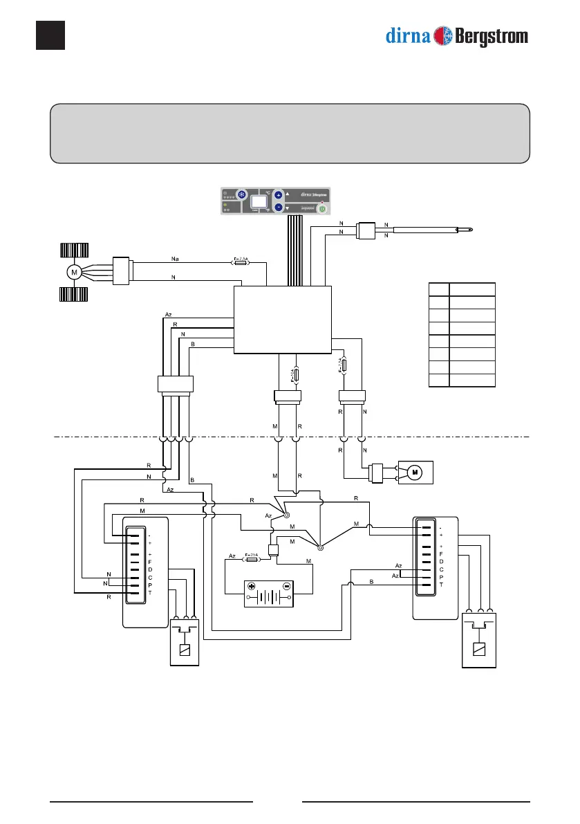
Schéma électrique
AVIS IMPORTANT !
Attention de ne pas inverser les polarités au moment de connecter l’équipement. Si cela se produisait, la
plaque de commande ne s’allumerait pas et l’équipement ne fonctionnerait pas.
Az Bleu
N Noir
R Rouge
V Vert
B Blanc
A Jaune
Na Orange
M Marron
Capteur
d’air de retour
Contrôle
électronique
Soufeur
centrifuge
Ventilateur du
condenseur
Commande
électronique
compresseur
Commande
électronique
compresseur
1 Compresseur
2 Compresseur
Battery /
prise de vue originale

Related product manuals