EasyManua.ls Logo

dirna Bergstrom COMPACT 1.4 - Wiring Diagram and Notes; Wiring Diagram; Polarity Connection Warning

dirna Bergstrom COMPACT 1.4
Print Icon
To Next Page IconTo Next Page
To Next Page IconTo Next Page
To Previous Page IconTo Previous Page
To Previous Page IconTo Previous Page
Loading...
EN
12
COMPACT 1.4
®
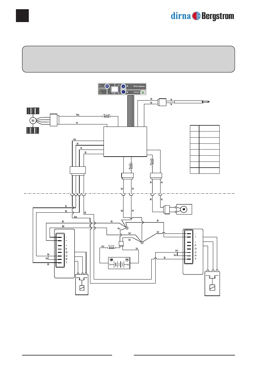
Wiring diagram
IMPORTANT NOTE!
Take care not to invert polarities when connecting the unit. If this happens, the plate does not come on and
the unit does not work.
Az
Blue
N
Black
R
Red
V
Green
B
White
A
Yellow
Na
Orange
M
Brown
Return
air sensor
Electronic
board
Centrifugal
blower
Condenser
fan
Compressor
electronic
module
Compressor
electronic
module
1 Compressor
2 Compressor
Battery /
Original shot

Related product manuals