EasyManua.ls Logo

dirna Bergstrom COMPACT 1.4 - Wichtiger Hinweis

dirna Bergstrom COMPACT 1.4
Print Icon
To Next Page IconTo Next Page
To Next Page IconTo Next Page
To Previous Page IconTo Previous Page
To Previous Page IconTo Previous Page
Loading...
GE
24
COMPACT 1.4
®
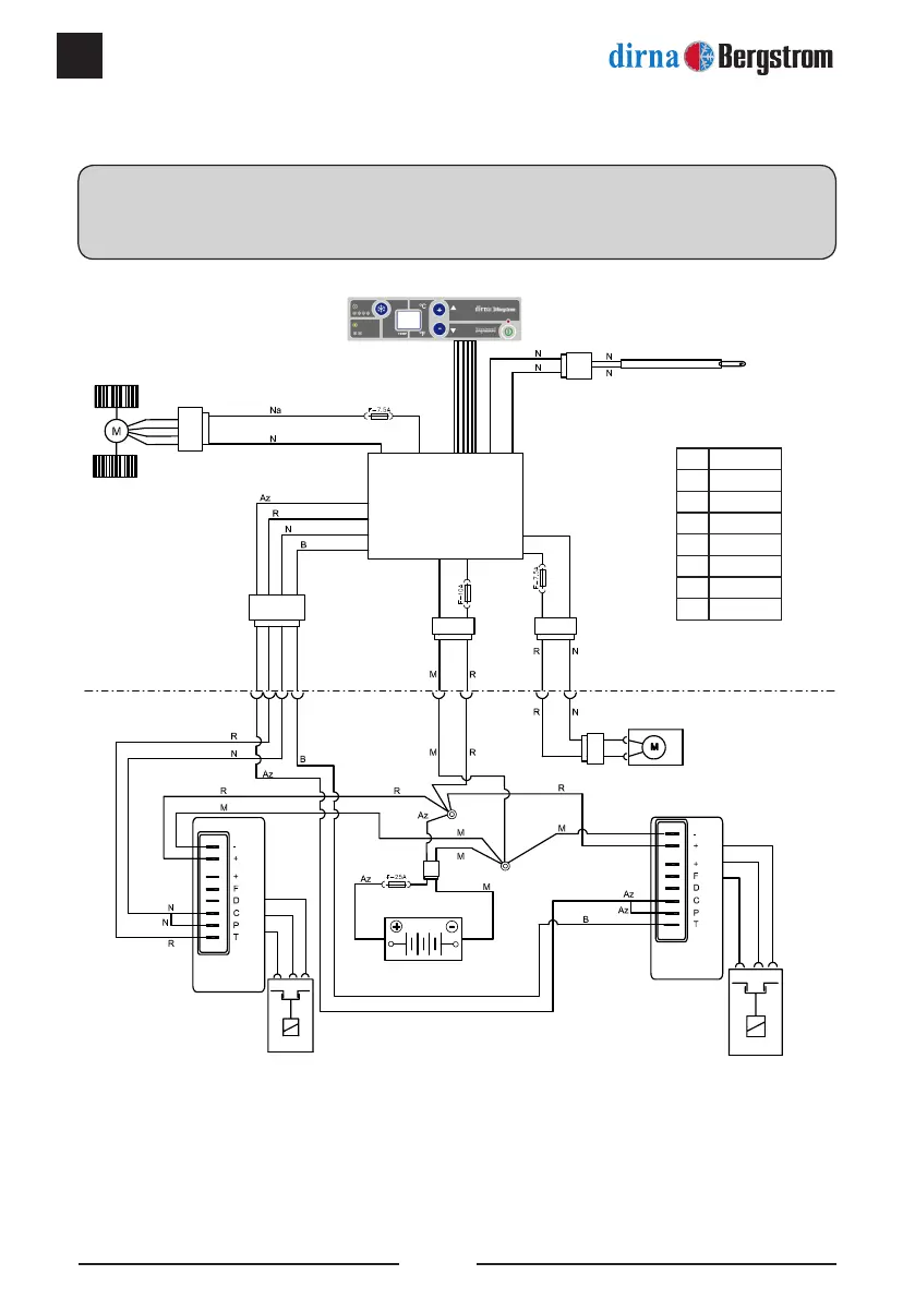
Schaltplan
WICHTIGER HINWEIS!
Darauf achten, dass die Polaritäten beim Anschluss des Geräts nicht vertauscht werden. Ist dies der Fall,
schaltet sich das Bedienfeld nicht ein und das Gerät funktioniert nicht.
Az
Blau
N
Chwarz
R
Rot
V
Grün
B
Weiss
A
Gelb
Na
Oranbe
M
Braun
Abluftsensor
Elektroniksteuerung
Doppelradialgebläse
Kondensatorlüfter
Kompressor
electronisches
modul
Kompressor
electronisches
modul
1 Kompressor
2 Kompressor
Batterie /
Original-Schuss

Related product manuals