EasyManua.ls Logo

dirna Bergstrom COMPACT 1.4 - Cablaggio Elettrico; Avvertenza Importante

dirna Bergstrom COMPACT 1.4
Print Icon
To Next Page IconTo Next Page
To Next Page IconTo Next Page
To Previous Page IconTo Previous Page
To Previous Page IconTo Previous Page
Loading...
IT
30
COMPACT 1.4
®
IT
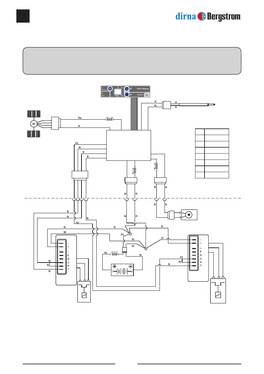
Cablaggio elettrico
AVVERTENZA IMPORTANTE!
Fare attenzione a non invertire le polarità quando si esegue il collegamento dell’impianto. Infatti, in tal caso
il quadro comandi non si accende e l’impianto non funziona.
Az
Blu
N
Nero
R
Rosso
V
Verde
B
Bianco
A
Giallo
Na
Arancione
M
Marrone
Sensore
aria ritorno
Controllo
elettronico
Ventilatore
centrifugo
Ventilatore
condensatore
Controllo
elettronico
compressore
Controllo
elettronico
compressore
1 Compressore
2 Compressore
Batteria /
Scatto originale

Related product manuals