EasyManua.ls Logo

dirna Bergstrom COMPACT 1.4 - Elektrisch Schema

dirna Bergstrom COMPACT 1.4
Print Icon
To Next Page IconTo Next Page
To Next Page IconTo Next Page
To Previous Page IconTo Previous Page
To Previous Page IconTo Previous Page
Loading...
NL
48
COMPACT 1.4
®
BELANGRIJK!
Let op dat bij het aansluiten van de voeding op het apparaat niet polen niet omgewisseld worden. Het
display zal niet inschakelen en het apparaat zal niet werken.
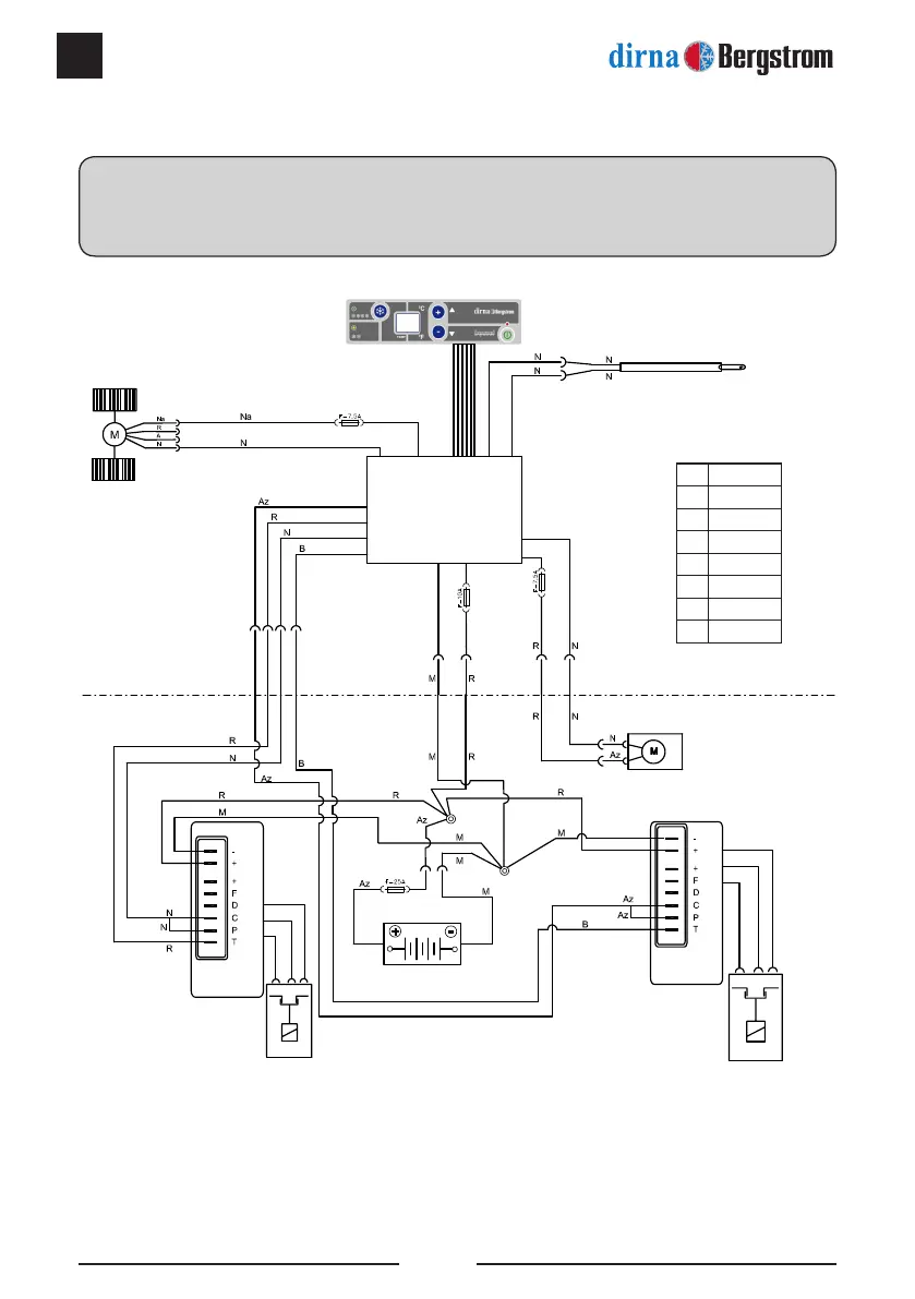
Elektrisch schema
Az Blauw
N Zwart
R Rood
V Groen
B Doel
A Geel
Na Oranje
M Bruin
Hercirculatiesonde
Elektronische
printplaat
Blazer
Ventilator van de
condensator
Besturingseenheid
van de Compressor
Besturingseenheid
van de Compressor
1 Compressor
2 Compressor
Batterij o
oorspronkelijke besluit

Related product manuals