EasyManua.ls Logo

dirna Bergstrom COMPACT 1.4 - Důležité Upozornění

dirna Bergstrom COMPACT 1.4
Print Icon
To Next Page IconTo Next Page
To Next Page IconTo Next Page
To Previous Page IconTo Previous Page
To Previous Page IconTo Previous Page
Loading...
CZ
42
COMPACT 1.4
®
DŮLEŽITÉ UPOZORNĚNÍ!
Dejte pozor, aby při zapojení napájení zařízení nedošlo ke změně polarity, displej by se nerozsvítil
a zařízení by nefungovalo.
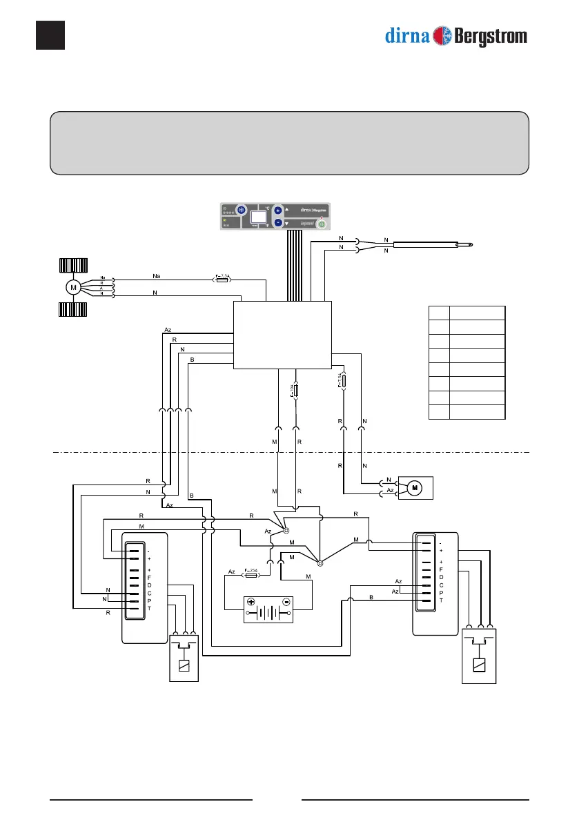
Elektrické schéma
Az Modrý
N Black
R Červený
V Zelený
B Cíl
A Žlutý
Na Oranžový
M Hnědý
Senzor zpětného
přívodu vzduchu
Elektronické
ovládání
Odstředivý
ventilátor
(dmychadlo)
Ventilátor
kondenzátoru
Řídicí
modul
kompresoru
Řídicí
modul
kompresoru
1 Kompresor
2 Kompresor
Baterie /
původní rozhodnutí

Related product manuals