EasyManua.ls Logo

Distech Controls ECB-VAV-N - Page 32

Distech Controls ECB-VAV-N
138 pages
Print Icon
To Next Page IconTo Next Page
To Next Page IconTo Next Page
To Previous Page IconTo Previous Page
To Previous Page IconTo Previous Page
Loading...
30 Network Guide
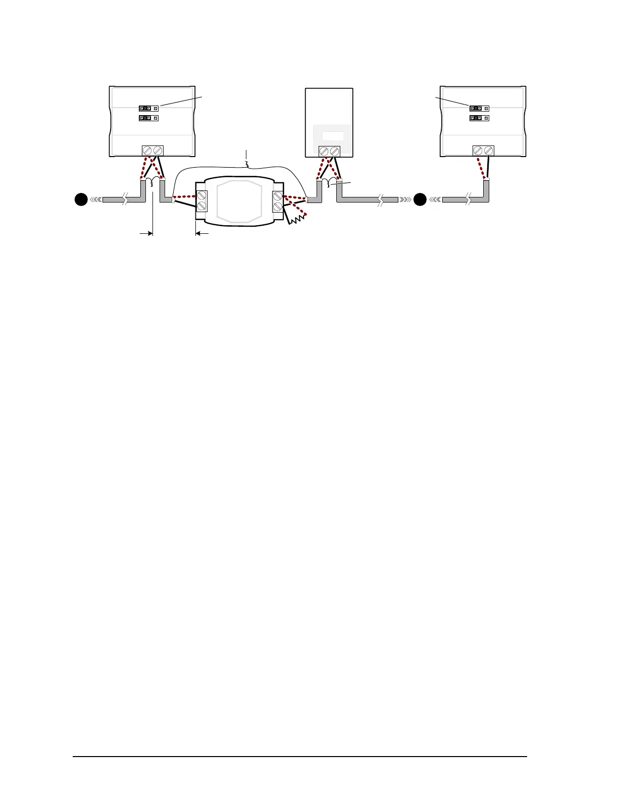
Figure 18: Repeater Connections when it is the First or Last Device on its Respective Data Bus Segment
The BACnet MS/TP Data Bus must be biased. This bias can only be provided by built-in EOL
termination resistors (ones set with a jumper or DIP switch). When a repeater is the first or last
device on its respective data bus segment, use the following methods to provide MS/TP Data
Bus biasing and EOL termination as applicable to your situation:
1. On the BACnet MS/TP data bus segment shown in Figure 18, bias and EOL termination
is provided by a controller's built-in EOL termination being set to ON. In this case the con-
nection to the repeater cannot be more than 7.6 meters (25 feet) from this controller.
2. On the BACnet MS/TP data bus segment shown in Figure 18, a 120Ω EOL Termination
resistor is added to the repeater's terminals. Biasing for this BACnet MS/TP data bus seg-
ment is provided by the built-in EOL termination being set to ON at the last controller at the
other end of this data bus.
See When to Use EOL Terminations on page 20 for more information. The shield of one data
bus must be grounded at one point as specified in see Data Bus Shield Grounding Require-
ments on page 24. The shields of the two data buses must be connected together and isolated
with electrical tape as shown in Figure 18. Refer to the controller's Hardware Installation Guide
for how to identify and set a controller's built-in EOL terminations.
Data Bus Shields: Twist
together and Isolate
with electrical tape
Typical BACnet Device
Data Bus: Shielded
Twisted Pair Cable
NE T+
NE T-
NET+
NET-
The data bus shield must be connected to the electrical system ground at
one point only – usually at the Building Controller , when present
1
2
0
Data Bus Shields: Twist
together and Isolate with
electrical tape
EOL ON
BACnet MS/TP data bus
Bias and EOL termination is
provided by this controller’s
internal EOL Termination
being set to ON
< 7.6 m
< 25 ft
1 2
Typical
BACnet
Device
No Built -in EOL
Term ination
Typical BACnet Device
NET+
NET-
EOL ON
BACnet MS/TP data bus
Bias and EOL termination is
provided by this controller’s
internal EOL Termination
being set to ON
Repeater
Data + (1)
Data (2)
Data + (20)
Data (19)

Table of Contents

Other manuals for Distech Controls ECB-VAV-N

Related product manuals