EasyManua.ls Logo

Ditch Witch JT920 - Page 82

Ditch Witch JT920
169 pages
Print Icon
To Next Page IconTo Next Page
To Next Page IconTo Next Page
To Previous Page IconTo Previous Page
To Previous Page IconTo Previous Page
Loading...
82 JT920/JT920L - SETUP
ASSEMBLE DRILL STRING
82 JT920/JT920L - SETUP
ASSEMBLE DRILL STRING
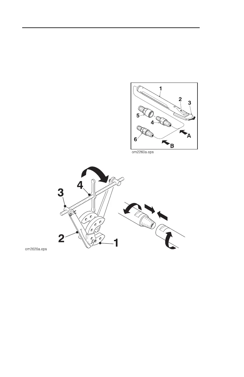
Attach EZ-Connect
Option A
1. Apply tool joint compound to
threads and hand tighten pin-to-
pin adapter (4) to beacon housing
(1).
2. Attach quick wrench in join
position.
Place jaws (1) on wrench flats on both sides of joint.
Pin handles (2) to wrench jaws. Be sure handles are both
up.
Attach pivoting nut heads (3) so that screw (4) is over
joint.
Turn screw to pull handles together.
Attach EZ-Connect
Option A
1. Apply tool joint compound to
threads and hand tighten pin-to-
pin adapter (4) to beacon housing
(1).
2. Attach quick wrench in join
position.
Place jaws (1) on wrench flats on both sides of joint.
Pin handles (2) to wrench jaws. Be sure handles are both
up.
Attach pivoting nut heads (3) so that screw (4) is over
joint.
Turn screw to pull handles together.