EasyManua.ls Logo

DoAll 16-3 - Page 7

Default Icon
39 pages
Print Icon
To Next Page IconTo Next Page
To Next Page IconTo Next Page
To Previous Page IconTo Previous Page
To Previous Page IconTo Previous Page
Loading...
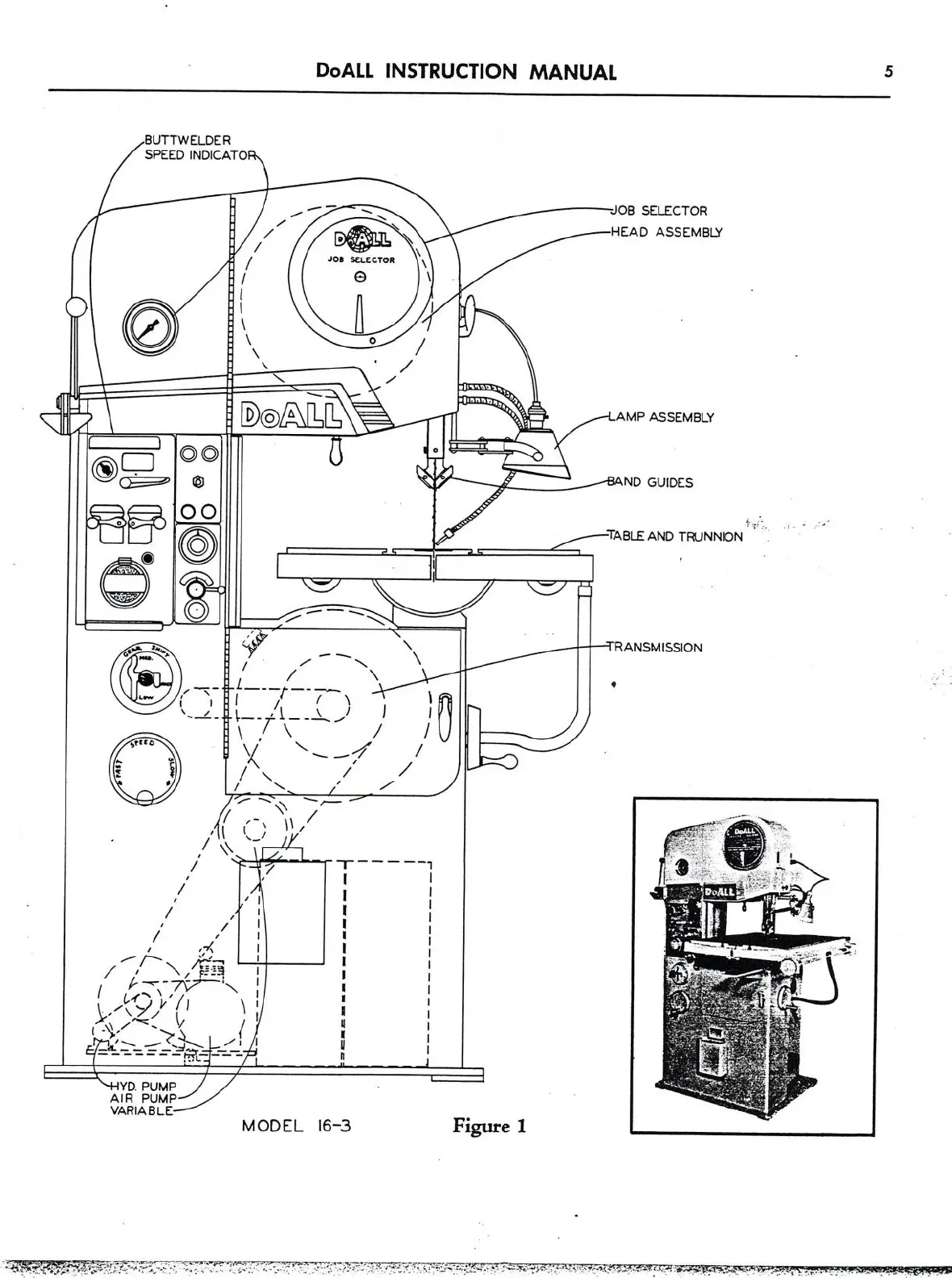
DoALL INSTRUCTION MANUAL 5
BUTTWELDER
SPEED INDICATO
'
JOB SELECTOR
HEAD ASSEMBLY
AMP ASSEMBLY
ND GUIDES
5'-
'rAau~: AND THJNNION
f
RANSMISSION
/
.
~:-r--7;--73
3-L—-
'
———\..
\ .7
\
J
\
\\—.
*-
/4
/
I
\\
/I
9
if
"“\\
“/1
I
‘/ ’-; H
/
’/ \\‘Y
T-"“-"1
./
/
I I
1/ 1 I I :
/
: : I
/' »’ I : I
I
r,\
I [
//"‘
' 1 I
/
I
\
:33!‘ I |
r ’Z*C7\’7L'\ l : :
5,/L5 J’ C’ \ { I :
~<~ II
::--_:::_
_..-.—_
'4
I
1 '"'Ll
I
L
H
J
I
‘:12 sassy
VARIABLE
,
MODEL I6-3 Fngure
I

Related product manuals