EasyManua.ls Logo

Doohan iTank - 3.1.2 Procedure of Dismantling and Switching the Covering Pieces and the Tools Required

Doohan iTank
71 pages
Print Icon
To Next Page IconTo Next Page
To Next Page IconTo Next Page
To Previous Page IconTo Previous Page
To Previous Page IconTo Previous Page
Loading...
13
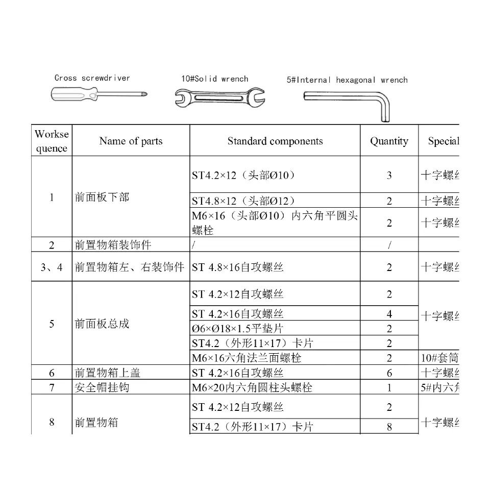
3.1.2 Procedure of dismantling and switching the covering pieces and the tools
required

Table of Contents

Related product manuals