EasyManua.ls Logo

Doosan D20S-7 - Page 97

Doosan D20S-7
247 pages
Print Icon
To Next Page IconTo Next Page
To Next Page IconTo Next Page
To Previous Page IconTo Previous Page
To Previous Page IconTo Previous Page
Loading...
Operation Section
-94-
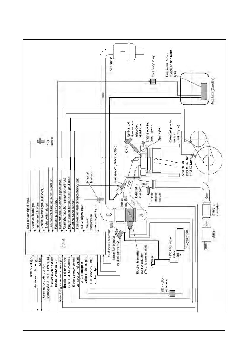
ECCS schematic of GCT K25 Dual Fuel engine

Table of Contents