EasyManua.ls Logo

dosatron D 8 RE 2 - Installation Tips and Filters

dosatron D 8 RE 2
Print Icon
To Next Page IconTo Next Page
To Next Page IconTo Next Page
To Previous Page IconTo Previous Page
To Previous Page IconTo Previous Page
Loading...
©
DOSATRON INTERNATIONAL / 37
©
DOSATRON INTERNATIONAL / 37
EN
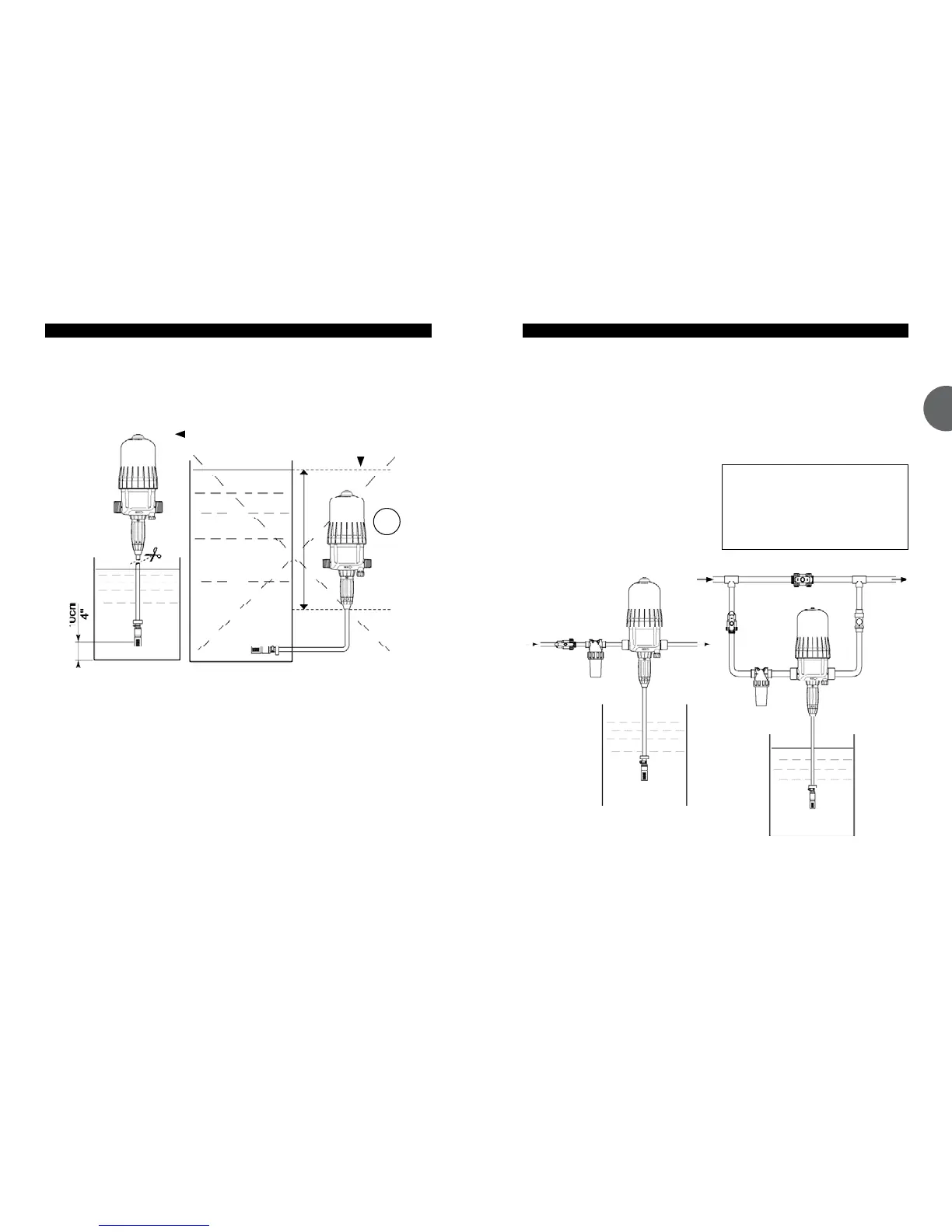
IMPORTANT ! - Do not put the suction tube strainer on the bottom of
the stock solution container. The strainer must be suspended at least
10 cm [4”] above the bottom of the tank to avoid sucking up the inso-
luble particles that may damage the injection assembly (Fig.2).
- Do not put the strainer on the ground.
Under no circumstance should the solution level be above the water
inlet of the DOSATRON (to avoid siphoning situations) (Fig. 3).
ASSEMBLING THE DOSATRON (cont...)
Fig. 2
Fig. 3
WHAT YOU SHOULD DO
WHAT YOU MUST NOT DO
NO !
©
DOSATRON INTERNATIONAL / 36
INSTALLATION HINTS
EXCESSIVE FLOW (as an indication)
If your DOSATRON clicks more than 40 times, that is 20 cycles in 15 seconds,
you are close to the superior flow limit. If you need more flow, you must install
a DOSATRON with a superior capacity of flow.
The DOSATRON can be connected
to the main water line directly (Fig. 4),
on a by-pass (Fig. 5).
If your flow rate is above the operating
limits of the DOSATRON, see §
EXCESSIVE FLOW.
To prolong the working life of the
DOSATRON it is advisable to install
a filter (ex.: 300 mesh - 60 microns
depending on your water quality)
upstream.
This is imperative if the water contains
impurities or particles, especially if the
water comes from a well.
A filter is recommended and required
for the warranty to be valid.
Installing the DOSATRON on a
bypass enables clean water to
be supplied without operating the
DOSATRON and the DOSATRON to
be easily dismantled.
When connecting an
installation to the public water
supply, you must respect the
rules and regulations in force
in the country.
Fig. 4
Check
Valve
Valve
Valve
Filter
Filter
Fig. 5

Table of Contents

Related product manuals