EasyManua.ls Logo

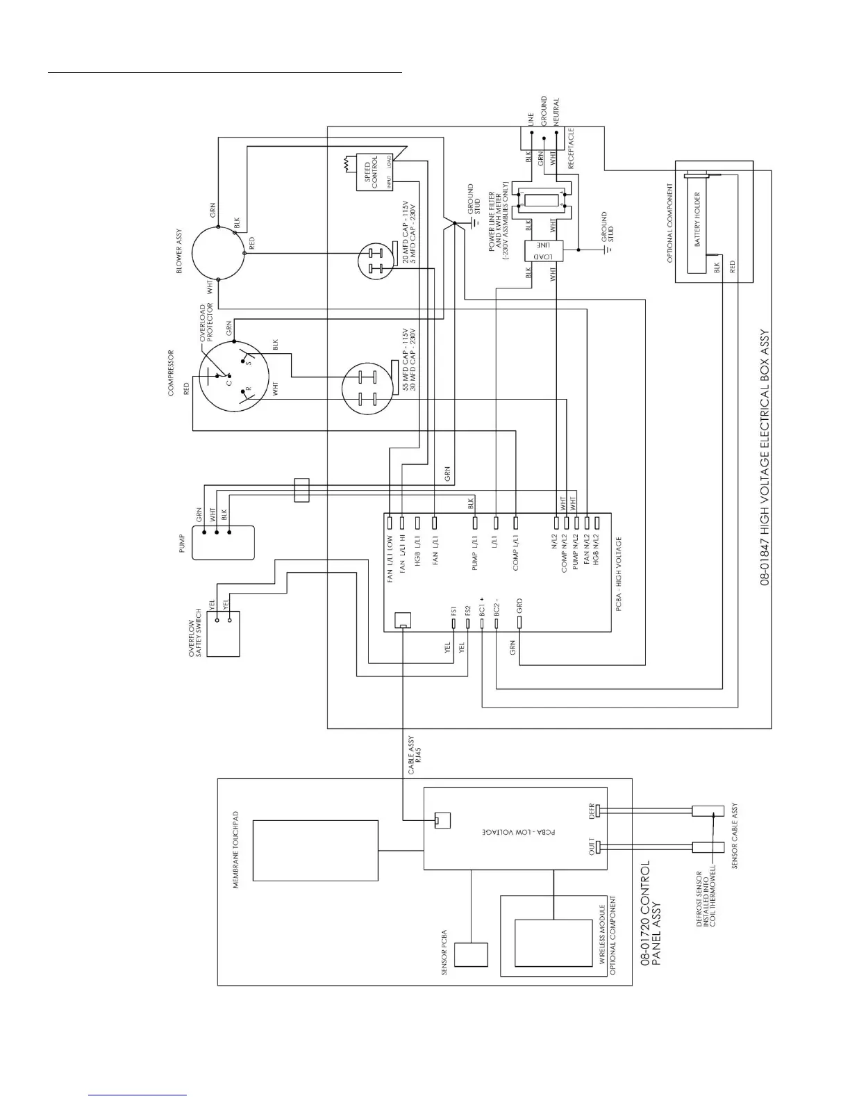
Dri-Eaz F412-115V - Electrical Schematics; High Voltage Schematic; Low Voltage and Control Schematic

Dri-Eaz F412-115V
36 pages
Print Icon
To Previous Page IconTo Previous Page
To Previous Page IconTo Previous Page
Loading...
07-01776H F412-115V 36 Dri-Eaz Products, Inc.
ELECTRICAL SCHEMATIC

Related product manuals