EasyManua.ls Logo

DSC Power632 - Keypad Features and Indicators; System Light (PC1555 RKZOnly); Emergency Keys (PC1555 RKZ); Display Lights and Messages

DSC Power632
52 pages
Print Icon
To Next Page IconTo Next Page
To Next Page IconTo Next Page
To Previous Page IconTo Previous Page
To Previous Page IconTo Previous Page
Loading...
6
NOTE: This option can only be selected if Normally Closed
(NC) detection devices or contacts are being used.
NOTE:Only one NC contact can be connected to each zone.
Wiring multiple detection devices or contacts on a single loop
is not allowed.
The following chart shows zone status under certain conditions:
Loop Resistance Loop Status
0 (shorted wire, loop shorted) Fault
5600 (contact closed) Secure
Infinite (broken wire, loop open) Tamper
11200 (contact open) Violated
End of Line Resistors. . . . . . . . . . . . . . . . . .Section [013]: [1]
Double End of Line Resistors . . . . . . . . . . . Section [013]: [2]
2.9 Zone Doubling
Zone Doubling is a unique feature that will allow you to double
the zones on the main board from 6 to 12.
All zones must be wired according to the following diagram.
The zone using the 5.6K resistor will be the first zone (lower
number zone) and the zone using the 8.2K resistor will be the
second zone (higher number zone). For example, Zone 6 will
become Zone 6 (5.6K) and Zone 12 (8.2K).
From this circuit the panel can only detect four states:
1. Normal
2. Zone A open
3. Zone B open
4. Zone A and Zone B open
A fault or short condition will still represent a normal state, and
a tamper condition represents both zones open. Therefore
this circuit cannot detect a tamper or fault. Only Normally
Closed contacts can be used on zones that are doubled.
NOTE: When programming a fire zone with the zone doubling
option on, it must be programmed as Zone A and Zone B must
be null. Please refer to the wiring diagram in section 2.10.
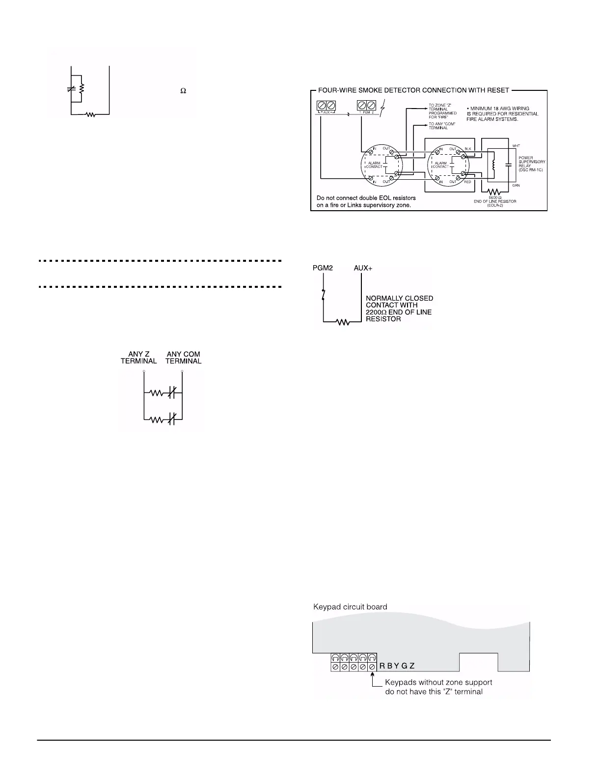
2.10 Fire Zone Wiring
NOTE:4-Wire Smoke Detectors
All fire zones must be wired according to the following diagram:
2.11 24-Hr Auxiliary Input Wiring (PGM2)
If PGM2 has been programmed for 24-hour operation, the
zone must be wired according to the following diagram:
NOTE: If PGM2 is pro-
grammed for 24-Hr Auxil-
iary Input support, the
connector JP1 on the
main board must be
removed.
2.12 GSM Zone Wiring
For GSM1000 zone wiring, please refer to the GSM1000
Installation Manual.
2.13 Keypad Zones
Each “z” keypad on the system has a zone input to which a
device - such as a door contact - can be connected. This
eliminates the need to run wires back to the control panel for
every device.
To install the keypad, open the keypad plastic by removing the
screw at the bottom of the unit. Locate the five terminals on
the keypad circuit board. Connect the four Keybus wires from
the control panel: the red wire to R, the black to B, the yellow
to Y and the green to G.
To connect the zone, run one wire to the Z terminal and the
other to B. For powered devices, use red and black to supply
power to the device. Run the red wire to the R (positive) termi-
nal and the black wire to the B (negative) terminal.
When using end of line supervision, connect the zone accord-
ing to one of the configurations outlined in section 2.8 “Zone
Wiring”. End of line resistors must be placed on the device
end of the loop, not at the keypad.
NOTE: Keypad zones do not support DEOL resistors.
ANY Z
TERMINAL
ANY COM
TERMINAL
DOUBLE EOL CIRCUIT
1 NORMALLY CLOSED
CONTACT WITH 5600
END-OF-LINE RESISTORS
5K6
Zone A
Zone B
8K2

Table of Contents

Other manuals for DSC Power632

Related product manuals