EasyManua.ls Logo

DSE 333 - Phase Ats Wiring Dse 333 (Ats)

Default Icon
17 pages
Print Icon
To Next Page IconTo Next Page
To Next Page IconTo Next Page
To Previous Page IconTo Previous Page
To Previous Page IconTo Previous Page
Loading...
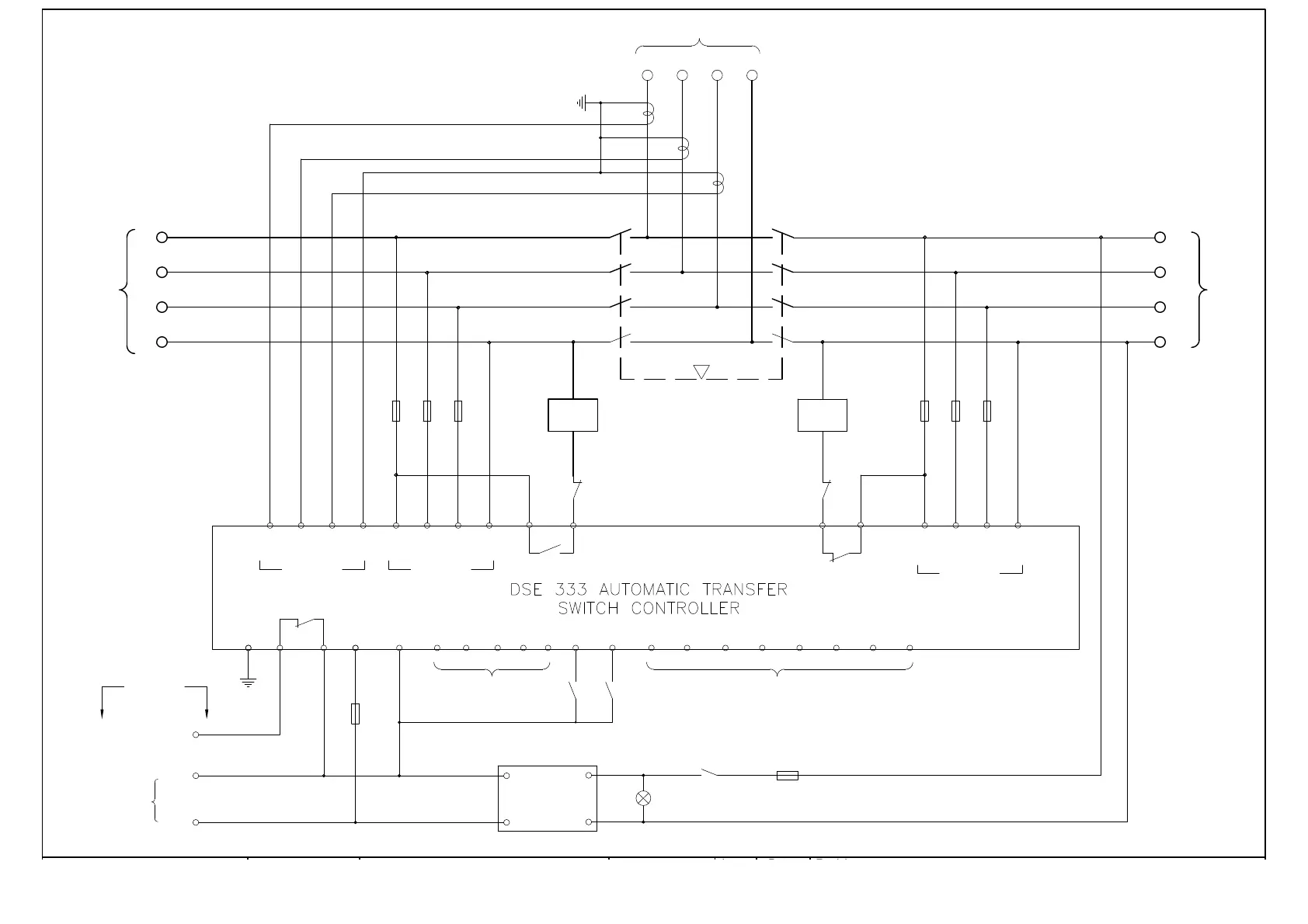
STEPHILL GENERATORS
Fax 01933 677916
Phone 01933 677911
Drawn
R Golding
Drawing Number
SW180016
Description
3 Phase ATS panel DSE 333
Last Number Used
209
Revision
New drawing
Date
20-11-15
Issue
A
GC
Mechanical Interlock
L1
L2
L3
NN
L3
L2
L1
MAINS
104
101
MCGC
GENERATOR
SUPPLY
F1
2A
F2
2A
F3
2A
30 31 32 33
5 9 11 12
26
12
MC GC
22211
NOT USED NOT USED
25
105
24
108
105
MC
CLOSE GEN
208
GC
MC
204
23
22
205
CLOSE MAINS
201
202
203
204
1
109 209
NL3L2L1
NTSR
207
206
U
MAINS VOLTS
SUPPLY
A2
A1A1
A2
LOAD
N
292827
GEN VOLTS
V W
F7F6
106
2A
107
2A
104
102
103
F5
2A
B
A
204
C
OUTPUT
107
106
104
20
13 14 15 16 17 18 19 20
F8
2A
4
3
1
4
3
1
OFF/ON
CHARGER
204
+VE
N
211
BATTERY
-VE
L
F4
210
3
1
+VE
-VE
-VE
4
START
REMOTE
BATTERY
GENERATOR
D.C. CONTROL
2A
SUPPLY ON
LOAD CURRENT
34
CT1
35
CT2 CT3
36
COM
37
110
111
113
112
110
111
113
112
113
7 8610
204
201
201
204
205
205
206
207
105