EasyManua.ls Logo

DSE 333 - Phase Ats Wiring Dse 333 (Stephill)

Default Icon
17 pages
Print Icon
To Next Page IconTo Next Page
To Next Page IconTo Next Page
To Previous Page IconTo Previous Page
To Previous Page IconTo Previous Page
Loading...
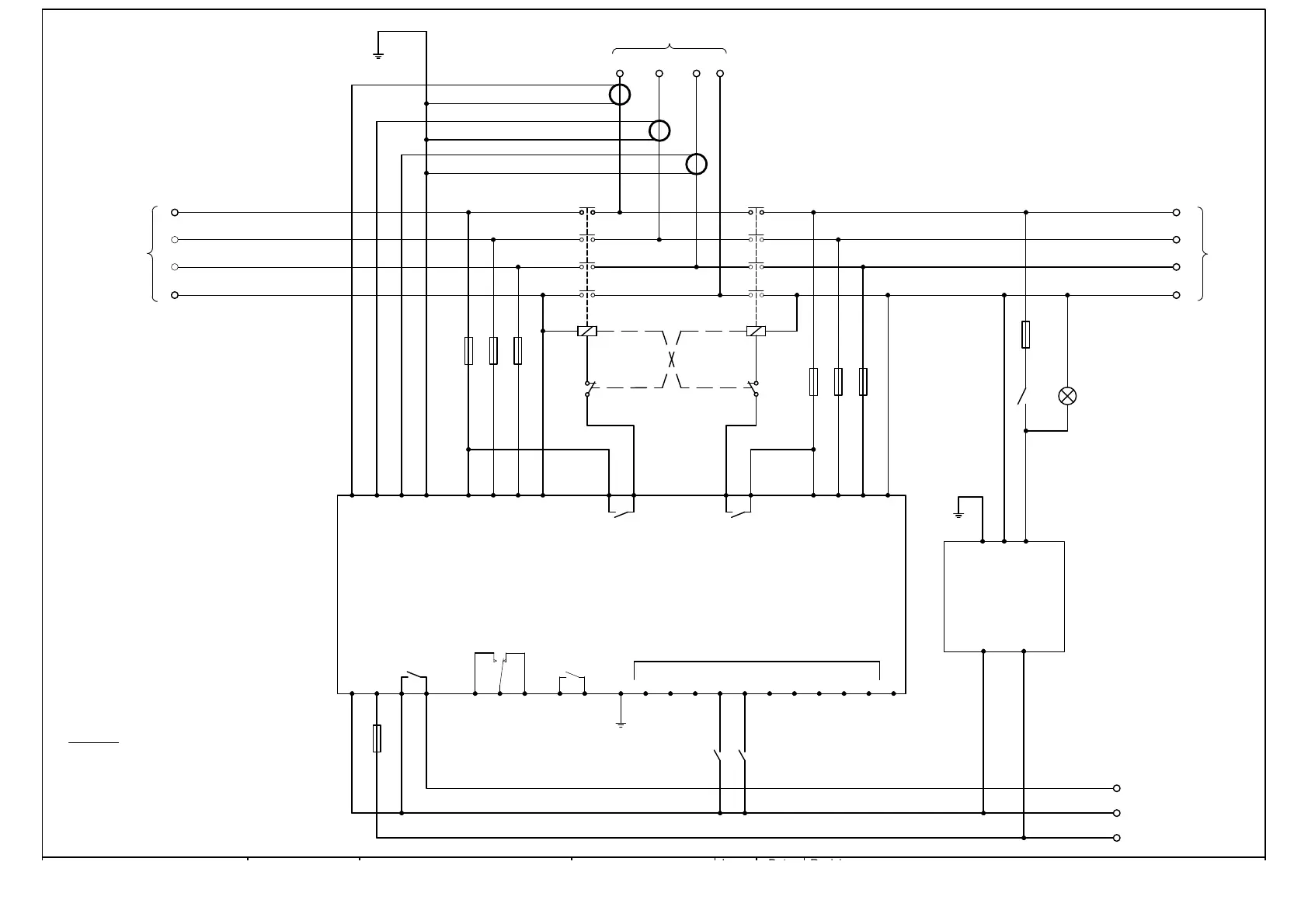
STEPHILL GENERATORS
Fax 01933 677916
Phone 01933 677911
Drawn
R Golding
Drawing Number
SW180018
Description
3 Phase ATS Panel DSE 333
Last Number Used
50
Revision
New drawing
Date
01-02-16
Issue
A
3 BATTERY +VE
GENERATOR
L1
N
48
29
ELECTRICAL INTERLOCK
MECHANICAL INTERLOCK
LOAD
N
L1
33
39
MAINS
L1
N
F4 2A
-
NE L
+
33
39
F5 2A
F3 2A
F1 2A
ON / OFF
33
43 44 3943 44
2
4826
30 39
CONTACTOR
CONTACTOR
= GENERATOR CONTACTOR
= GENERATOR CONTACTOR COIL
= MAINS CONTACTOR
= MAINS CONTACTOR COIL
LEGEND
29
33
33
3343
3
1 BATTERY -VE
4 REMOTE START
2
33
GC
GCC
MC
MCC
1
GCC
MCC
42
41
1.5mm Black
-VE
+VE
1
3
323130
NL3L2L1
29282726
NL3L2L1
MAINS
GENERATOR
OUTPUT C
OUTPUT D
DSE 333 ATS
1
30
1
4
GEN VOLTS
BATTERY
CHARGER
2223
39
33
48
29
33
3
1
S1
S2
48
29
39
33
MC
4224
GC
23 41
OUTPUT E
10 -VE INPUTS
A B C D E F G H I J
GENERATOR
LOADING RELAY
OUTPUT B
MAINS
LOADING RELAY
OUTPUT A
25 24
11 12 13 14 15 16 17 18 19 201 2 3 4 5 6 7 8 9 10
37363534
COMCT3CT2CT1
LOAD CURRENT
1.5mm Black
34
36
37
CONNECTED TO THE SAME
CT COMMON MUST BE
GROUND AS BATTERY NEGATIVE
MAINS VOLTS
37
26
29
26
37
29
24
30
23
30
33
1
1
14
1 15
1
MC
GC
21
L2
46
4646
49 49
L3
47
4747
50 50
F5 2A
31 46
F5 2A
32 47
F4 2A
492727
49
F4 2A
502828
50
L2
L3
35
37
34
37
37
37
L2
L3
35
36
1.5mm Black
1.5mm Black
31
32
26