EasyManua.ls Logo

Dual CC 1462 - Page 4

Dual CC 1462
9 pages
Print Icon
To Next Page IconTo Next Page
To Next Page IconTo Next Page
To Previous Page IconTo Previous Page
To Previous Page IconTo Previous Page
Loading...
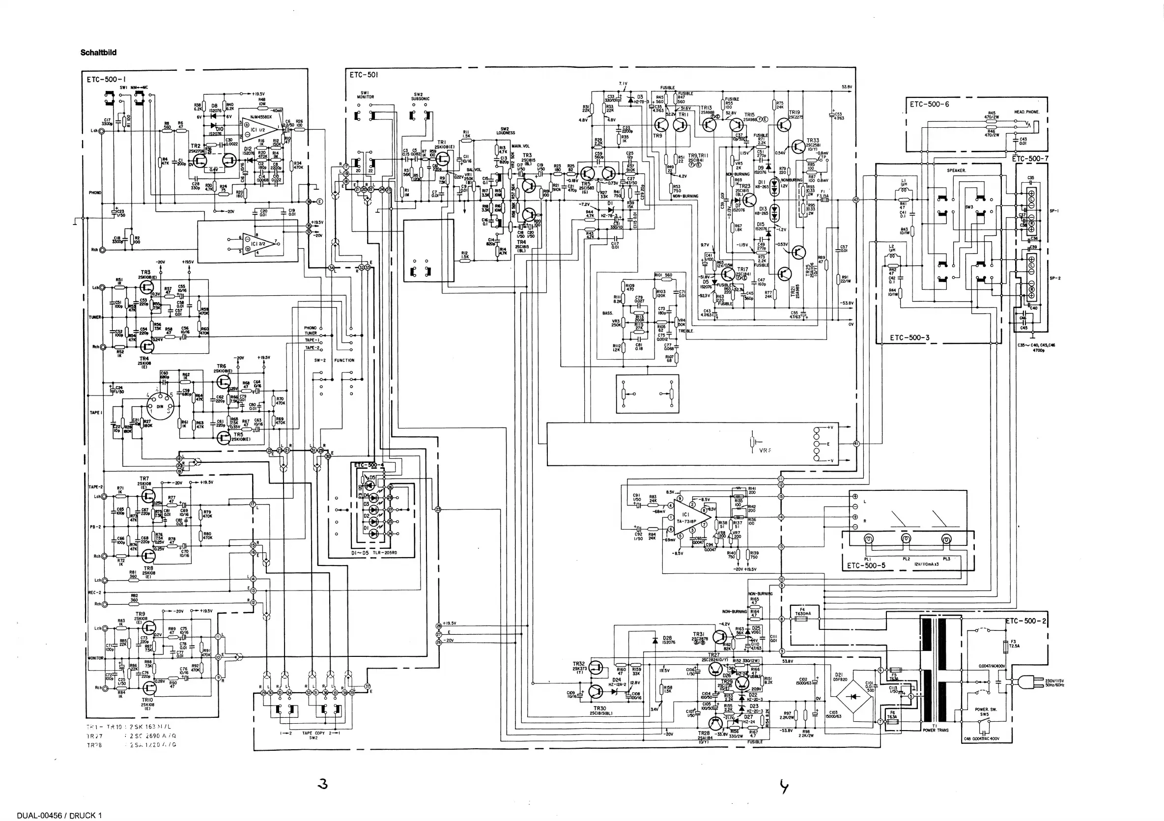
Schaltbild
ETC-50]
ETC-500-|
SWI
MM*=MC
Swi
Sus
MONITOR
SUBSONIC
oO
©
|
ETC-500-6
,
|
45
HEAD.
PHONE.
|
R
470/2W
;
Cc
O
:
:
R46
470/2W
TRI
Cc
2Ski0B(E}
R7
R59
hy
cll
aa
ce)
“10/16
200
Ras
RO
i
Saar
75K
RIO!
560
C223
C35~
C40,
C45,C46
4700p
PLI
ETC-500-5
12V/1tOmA
x3
ETC-500-2
“nm
028
l
Rees
Vv
i
chy
F3
T
5
Gala
(3)
|
T2.5A
=
aes
|.)
ae
==
7
2S8C2824(0/Y)
R52
330v(2W)
Tua]
Wie
)
0,0047/AC400V
~~
RI66
J
|
}
Yates
f
ima
°
ee
CE
230V/1I5V
R
37)
*
py
50H2/60Hz
yes
The
ort
.
5-74
O
OQ
e
OQ
.
7
|
L
A
iE
dl
2SCI815(BL)
|
ee,
en!
eS
TRY-
TRIN:
2SK
162
MIL
ee
1RZT7
i
286
4690
AQ
ae.
2
2k/2W
FUSIBLE
C48
Q0047/AC
400V
TR78
-
ZSATAZOASG
DUAL-00456
/
DRUCK
1