EasyManua.ls Logo

Dual DV712 - Wiring Diagram

Dual DV712
28 pages
Print Icon
To Next Page IconTo Next Page
To Next Page IconTo Next Page
To Previous Page IconTo Previous Page
To Previous Page IconTo Previous Page
Loading...
6
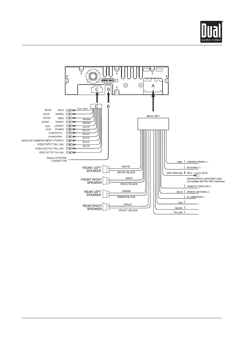
Wiring Diagram - Inputs/Outputs
DV712 INSTALLATION
Note:
When replacing a fuse, make sure to use the correct type and amperage. Using an incorrect fuse could cause
Wiring Notes:
Subwoofer output
The Subwoofer preamp audio output (black jacket with green RCA) is active in all audio modes.
Rear camera input
A rear view camera (not included) can be used with the Camera input.
1
2
RCH
RCH
LCH
LCH
IN
IN
GRAY
GRAY
GRAY
GRAY
ORANGE
VIOLET/WHITE
BLUE/WHITE
IGNITION/ACC 12V (+)
CHASSIS GROUND (-)
BATTERY 12V (+)
damage. The unit uses (1) 10 amp ATM mini style fuse located power connector.

Related product manuals