EasyManua.ls Logo

Dual MXDM70 - Wiring Diagram

Dual MXDM70
20 pages
Print Icon
To Next Page IconTo Next Page
To Next Page IconTo Next Page
To Previous Page IconTo Previous Page
To Previous Page IconTo Previous Page
Loading...
3
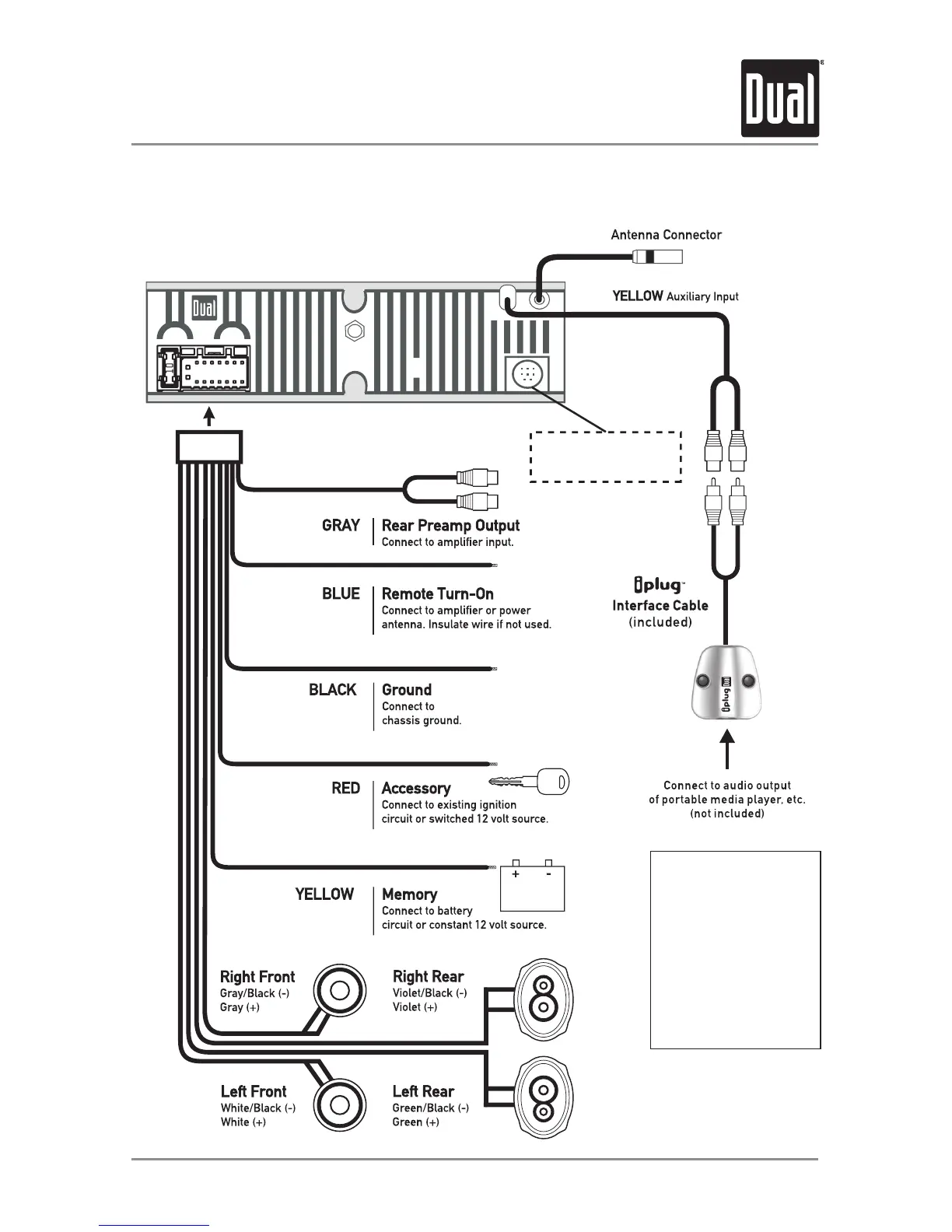
MXDM70 INSTALLATION
Wiring Diagram
FUSE
When replacing the fuse,
make sure new fuse is the
correct type and amperage.
Using an incorrect fuse
could damage the radio.
The MXDM70 uses one
10 amp ATM fuse located
beside the wiring connector.
MWR30 Wired Remote
(sold seperately)

Related product manuals