EasyManua.ls Logo

Dual XHD6430 - Wiring Diagram; System Wiring Connections

Dual XHD6430
32 pages
Print Icon
To Next Page IconTo Next Page
To Next Page IconTo Next Page
To Previous Page IconTo Previous Page
To Previous Page IconTo Previous Page
Loading...
3
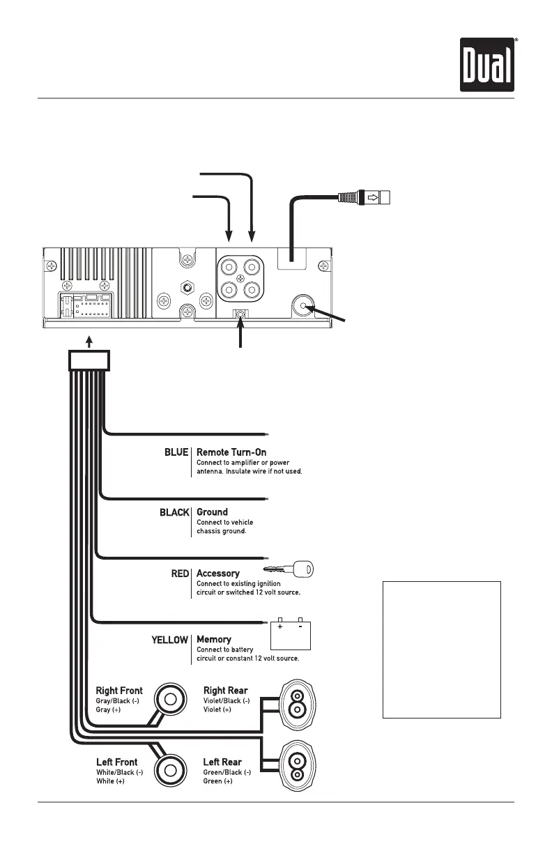
FUSE
Whenreplacingthefuse,
makesurenewfuseisthe
correcttypeandamperage.
Usinganincorrectfuse
coulddamagetheradio.
TheXHD6430usesone
10ampATMfuselocated
besidethewiringconnector.
XHD6430 INSTALLATION 
Wiring Diagram
Antenna
Connector
Steering Wheel Interface Input
(PAC SWI-PS required)
FRONT R/SUB
L-CH
R-CH
REMOTE IN
BLACK 8-pin Female Mini-DIN
BTM60 Connection (included)
REAR/SUB
(selectable)
RCA Preamp Output
Connections
FRONT

Related product manuals