EasyManua.ls Logo

Dukane 4A3076B - Master Station Controls and Indicators

Dukane 4A3076B
74 pages
Print Icon
To Next Page IconTo Next Page
To Next Page IconTo Next Page
To Previous Page IconTo Previous Page
To Previous Page IconTo Previous Page
Loading...
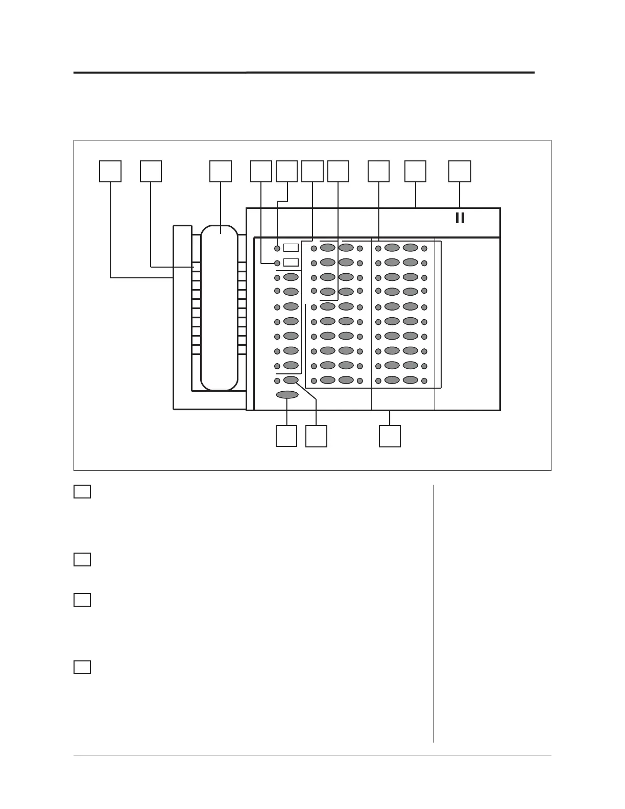
1
Speaker Volume Control
Rotate this control until speaker volume is at the desired incoming audio level.
Note:
This adjustment has no effect on the handset volume.
2
Speaker
The speaker allows communication from, and monitoring of, remote stations.
3
Handset
The keyless handset allows direct, private interstation communication and
optional paging. Returning the handset to its cradle ends communication with
another station.
4
BUSY Indicator
This LED flashes slowly when the master station is idle to indicate that the
master station is in normal operating condition. The LED stays lit when any
master station in the system is communicating with another station.
continued
ProCare 2000 Operation Manual
3
Master Station
Controls
Section
Master Station Controls and Operation
2
1 2 3 4 5 6 7 8 9
1112
13
10
DUKANE
ProCare 2000

Table of Contents