EasyManua.ls Logo

Dunkirk DCB-165 - Page 77

Dunkirk DCB-165
139 pages
Print Icon
To Next Page IconTo Next Page
To Next Page IconTo Next Page
To Previous Page IconTo Previous Page
To Previous Page IconTo Previous Page
Loading...
73
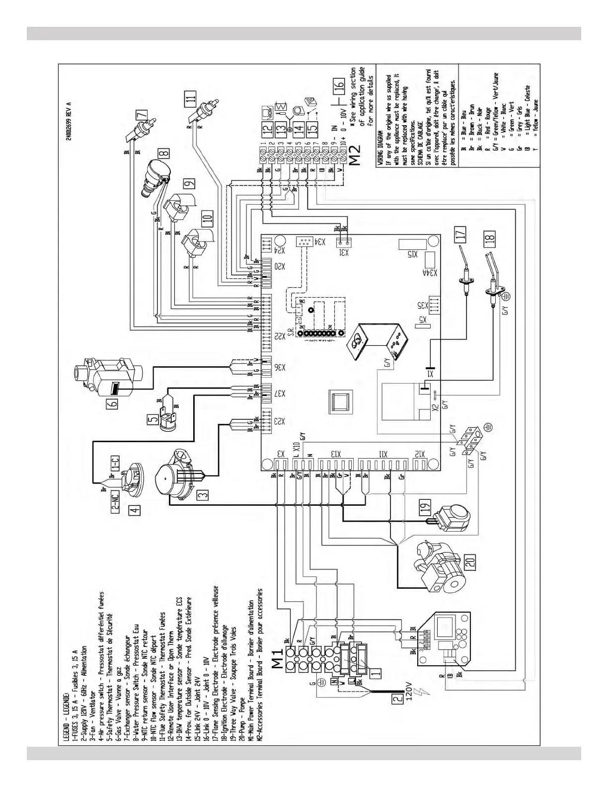
APPENDIX A - WIRING DIAGRAMS
A-2 MODEL 125 - Heat Only
240013360
REV A [07/01/2021]

Table of Contents

Other manuals for Dunkirk DCB-165

Related product manuals