EasyManua.ls Logo

Dunkirk DCBF-100 - 150 F & 205 F with Zone Valves - PIPING Diagram

Dunkirk DCBF-100
138 pages
Print Icon
To Next Page IconTo Next Page
To Next Page IconTo Next Page
To Previous Page IconTo Previous Page
To Previous Page IconTo Previous Page
Loading...
22
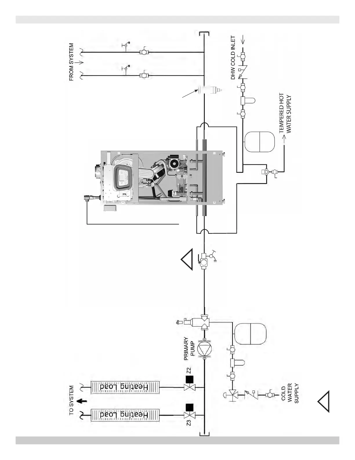
115F, 150F & 205F WITH ZONE VALVES
115F, 150F & 205F WITH ZONE VALVES - PIPING DIAGRAM
1
Shut off
& Purge
Valve
1
Locate shut off valve after
any field installed LWCO.
MAGNETIC DIRT
SEPARATOR
PN 240012875 REV. B [07/01/2021]

Table of Contents

Related product manuals