EasyManua.ls Logo

DUROMAX XP20HP - Wiring Diagram

DUROMAX XP20HP
60 pages
Print Icon
To Next Page IconTo Next Page
To Next Page IconTo Next Page
To Previous Page IconTo Previous Page
To Previous Page IconTo Previous Page
Loading...
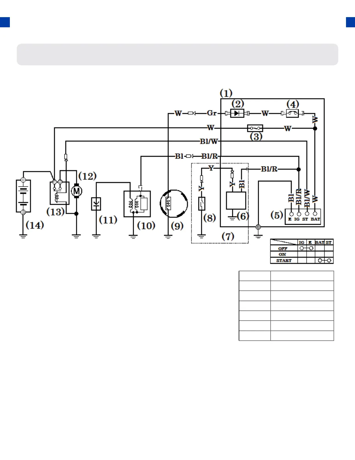
Wiring Diagram
1. Control Box
2. Rectier
3. Fuse
4. Circuit Breaker
5. Engine Switch
6. Oil Alert Unit
7. Type With Oil Alert Unit
Bl Black
Y Yellow
Gr Gray
R Red
W White
Bl/W Black/White
Bl/R Black/Red
8. Oil Level Switch
9. Charging Coil
10. Ignition Coil
11. Spark Plug
12. Starter Motor
13. Starter Solenoid
14. Battery (12V)
47

Related product manuals