EasyManua.ls Logo

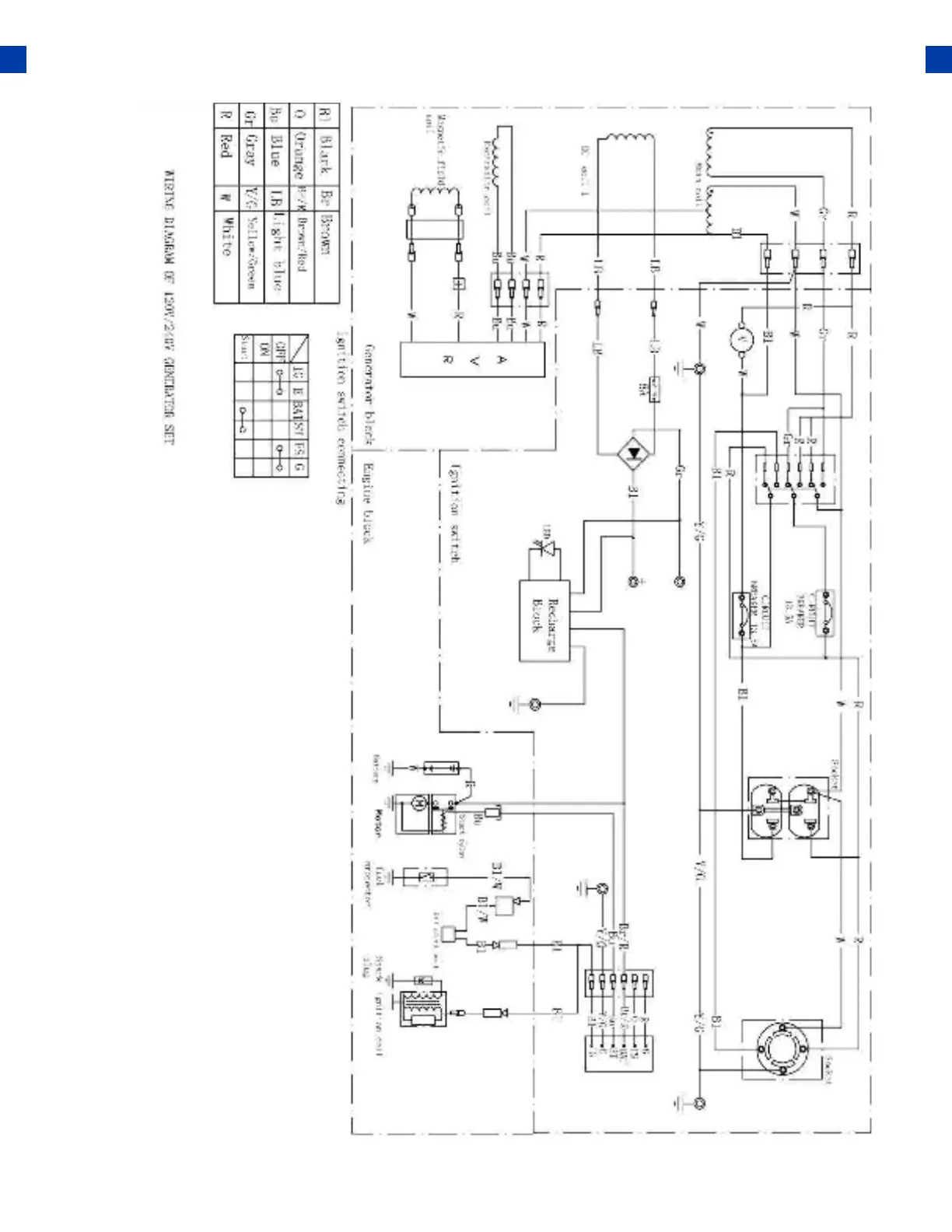
DUROMAX XP5500E - Wiring Diagram

DUROMAX XP5500E
76 pages
Print Icon
To Next Page IconTo Next Page
To Next Page IconTo Next Page
To Previous Page IconTo Previous Page
To Previous Page IconTo Previous Page
Loading...
WIRING DIAGRAM
68

Related product manuals