EasyManua.ls Logo

DVS DS100S Series - Wiring Example in Position Mode; 15-Line Encoder Motor Connection Diagram; 15-Line Motor Connector Pinout Table

Default Icon
16 pages
Print Icon
To Next Page IconTo Next Page
To Next Page IconTo Next Page
To Previous Page IconTo Previous Page
To Previous Page IconTo Previous Page
Loading...
DS100S AC Servo Manual
Notes:
“SET” Button: Enter the parameter settings or set the values to the selected parameter and exit.
UP Button: Increase the selected value by 1.
DOWN Button: Decrease the selected value by 1.
BACK Button: Press this to come back to before data.
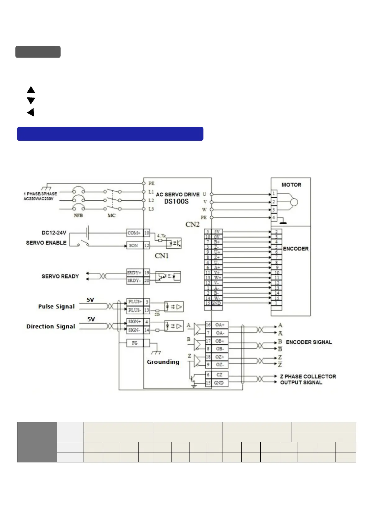
Wiring Example in Position Mode
DN series Motor Connecting(15-Line Encoder)
DN series 15-line Motor Connecting(60mm
80mm
90mm)
Power Line
Winding
U
V
W
PE
Plug
1
2
3
4
Encoder Line
Signal
5V
0V
B+
U+
Z+
U-
A+
V+
W+
V-
A-
B-
W-
PE
Plug
2
3
4
6
7
8
9
10
11
12
13
14
15
1