EasyManua.ls Logo

DynaGen ES52 - Page 11

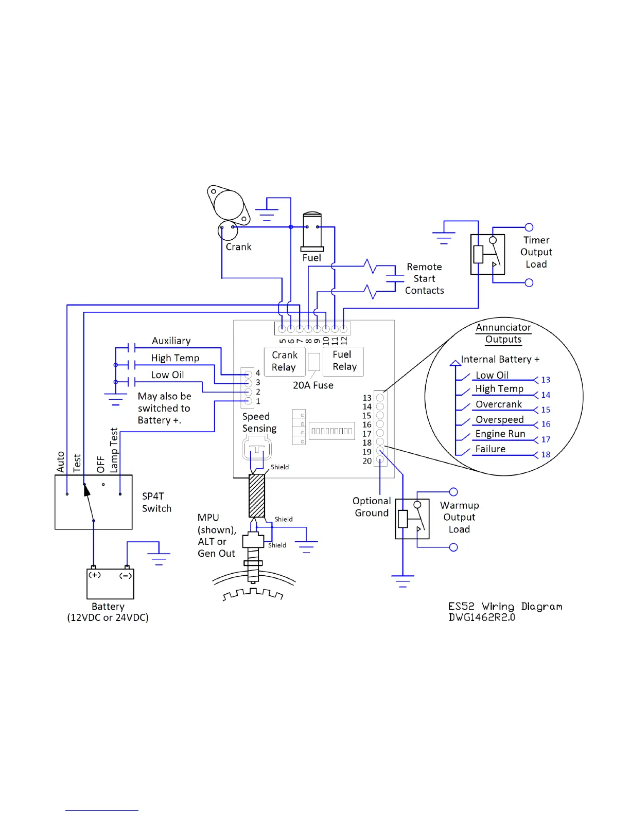
DynaGen ES52
25 pages
Print Icon
To Next Page IconTo Next Page
To Next Page IconTo Next Page
To Previous Page IconTo Previous Page
To Previous Page IconTo Previous Page
Loading...

Related product manuals