EasyManua.ls Logo

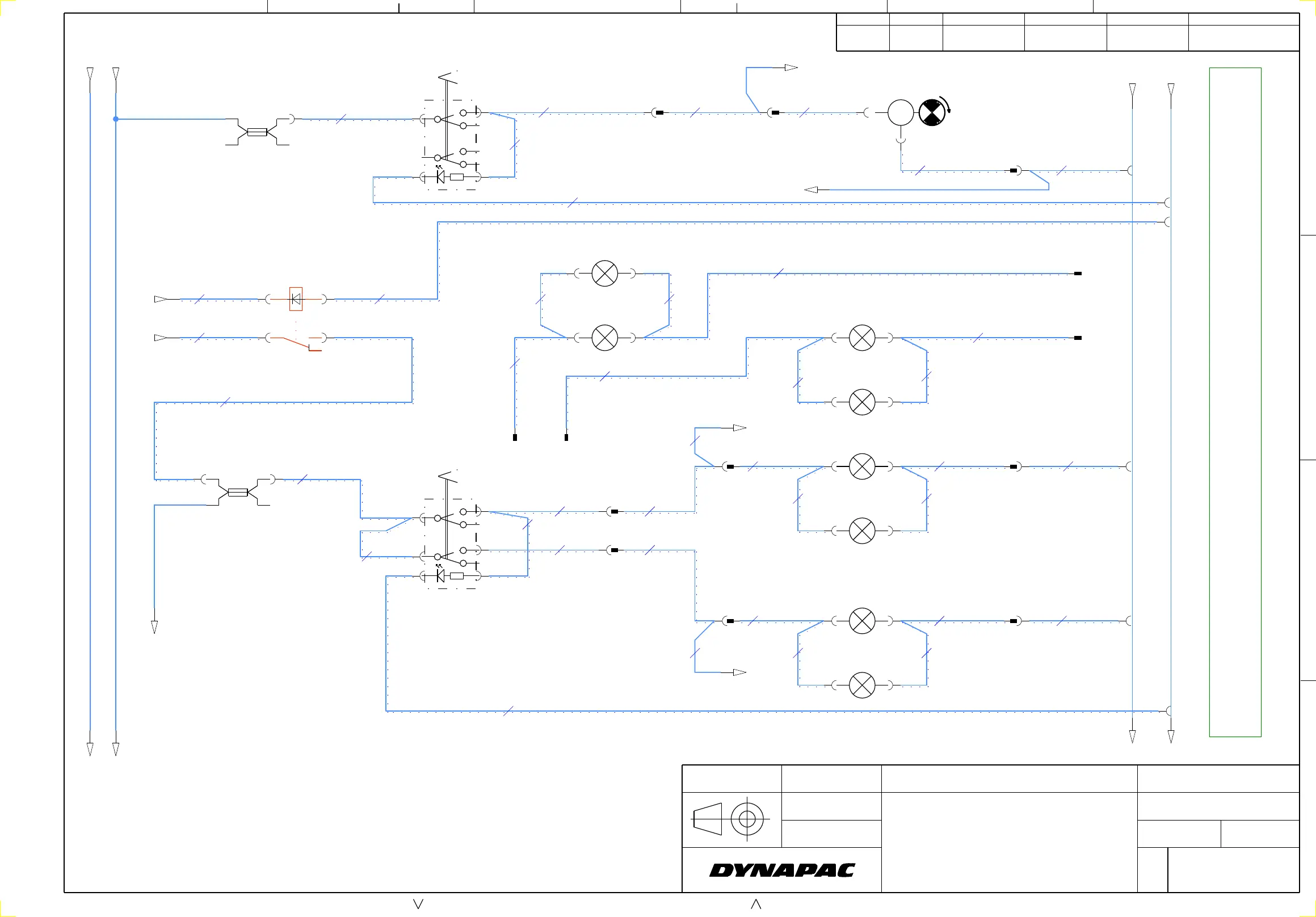
Dynapac CA250 - Rotating Beacon and Working Light Circuits

Dynapac CA250
20 pages
Print Icon
To Next Page IconTo Next Page
To Next Page IconTo Next Page
To Previous Page IconTo Previous Page
To Previous Page IconTo Previous Page
Loading...
ThisdocumentwillremainthepropertyofMetsoDynapacAB
andmaynotwithoutthepermissionofthesaidcompanybecopied,
communicatedtoanythirdpartorusedformanufacturingpurposes.
Rev.970401
E
Designed
View
Reg.
Approved
Date
MaterialDesignation
Description
PartNo
No.
Rev.
Scale
Model
Sheet/of
Date
Rev.
ChangeNo.
Pls.
Issuedby
Checked
1
65432
A
D
C
B
/
393809
TKZ/GE
TKZ/LW
20070125
Circuitdiagram
Rotatingbeacom,workinglight
Kretsschema
Roterandevarningsljus,arbetsbelysning
CA250T1
5
X4
11
X4
12
X.4
11
X.4
12
31A.X16
1
31A.X17
1
X.4
4
X4
4
X7
1
X.7
1
H14.X2
1
31B.X8
1
E2.X1
1
E2.X1
2
E1.X1
1
E1.X1
2
E4.X1
1
E4.X1
2
E3.X1
2
E3.X1
1
S22.X1
2
S22.X1
7
S18.X1
7
S18.X1
2
S22.X1
5
S22.X1
3
S22.X1
6
S22.X1
8
31A.X15
1
X.7
2
X7
2
31B.X7
1
l
0
2
5
7
3
1
6
4
8
=Rotatingbeaconswitch
S18
l
0
2
5
7
3
1
6
4
8
=Workinglightswitch
S22
1
2
=Workinglightfrontleft
E1
1
2
=Workinglightrearleft
E2
1
2
=Workinglightrearright
E4
1
2
=Workinglightfrontright
E3
M
1
=Rotatingbeacon
H14
2
S18.X1
3
S18.X1
8
/4.D1
30.5
/4.D1
15.4
/6.A1
30
/6.A1
15.12
/4.D6
31.5
/4.D6
31.2
/6.A6
31.10
/6.A6
31.14
1
2
=Workinglightfrontleft
E5
1
2
=Workinglightfrontright
E7
1
2
=Workinglightrearleft
E6
1
2
=Workinglightrearright
E8
E6.X1
1
E8.X1
1
E6.X1
2
E8.X1
2
E7.X1
1
E7.X2
1
E5.X1
1
E5.X2
1
H14.X1
1
30 87
87a
86 85
K11
K11.X1
86
K11.X1
85
K11.X1
30
K11.X1
87
31B.X11
1
/1.B2
15.17
/1.A2
15.18
X40:A
/6.A1
15.6
F2.12:2.2
X8.1
1
X13.1
1
X8.1
2
X13.1
2
X13.2
1
X.13
1
X.8
1
X8.2
1
X8.2
2
X13.2
2
X.13
2
X.8
2
10A
F1.4
4.1
4.2
D.1
D.2
F1.34
D.1
20A
F2.1
1.1
1.2
A.1
A.2
F2.12
1.1
F2.12
A.1
/7.B2
#477.1
X.13.1:1
/7.B2
#477.2
X.8.1:1
/7.C2
#1724.1
X.7.1:1
/7.C2
31.41
X.7.1:2
610
YE
930
BK
2.50mm²
932
BK
2.50mm²
927
BK
610
YE
611
YE
0.75mm²
102
WH
2.50mm²
234
RD
0.75mm²
224
RD
941
BK
0.75mm²
232
RD
4.00mm²
233
RD
2.50mm²
101
WH
2.50mm²
102
WH
2.50mm²
101
WH
2.50mm²
101
WH
2.50mm²
103
WH
930
BK
2.50mm²
931
BK
102
WH
2.50mm²
104
WH
932
BK
2.50mm²
933
BK
102
WH
2.50mm²
101
WH
2.50mm²
927
BK
610
YE
230
RD
203
RD
6.00mm²
205
RD
6.00mm²
916
BK
104
WH
103
WH
930
BK
2.50mm²
931
BK
933
BK
932
BK
2.50mm²
929
BK
0.75mm²
Rotating
Frontleft
Rearleft
Frontright
Rearright
Wire area 1.5 mm unless otherwise stated
Ledningsarea 1.5 mm där annat ej anges
14
beacon
Rops
Frontleft
Rearleft
Frontright
Rearright

Related product manuals