EasyManua.ls Logo

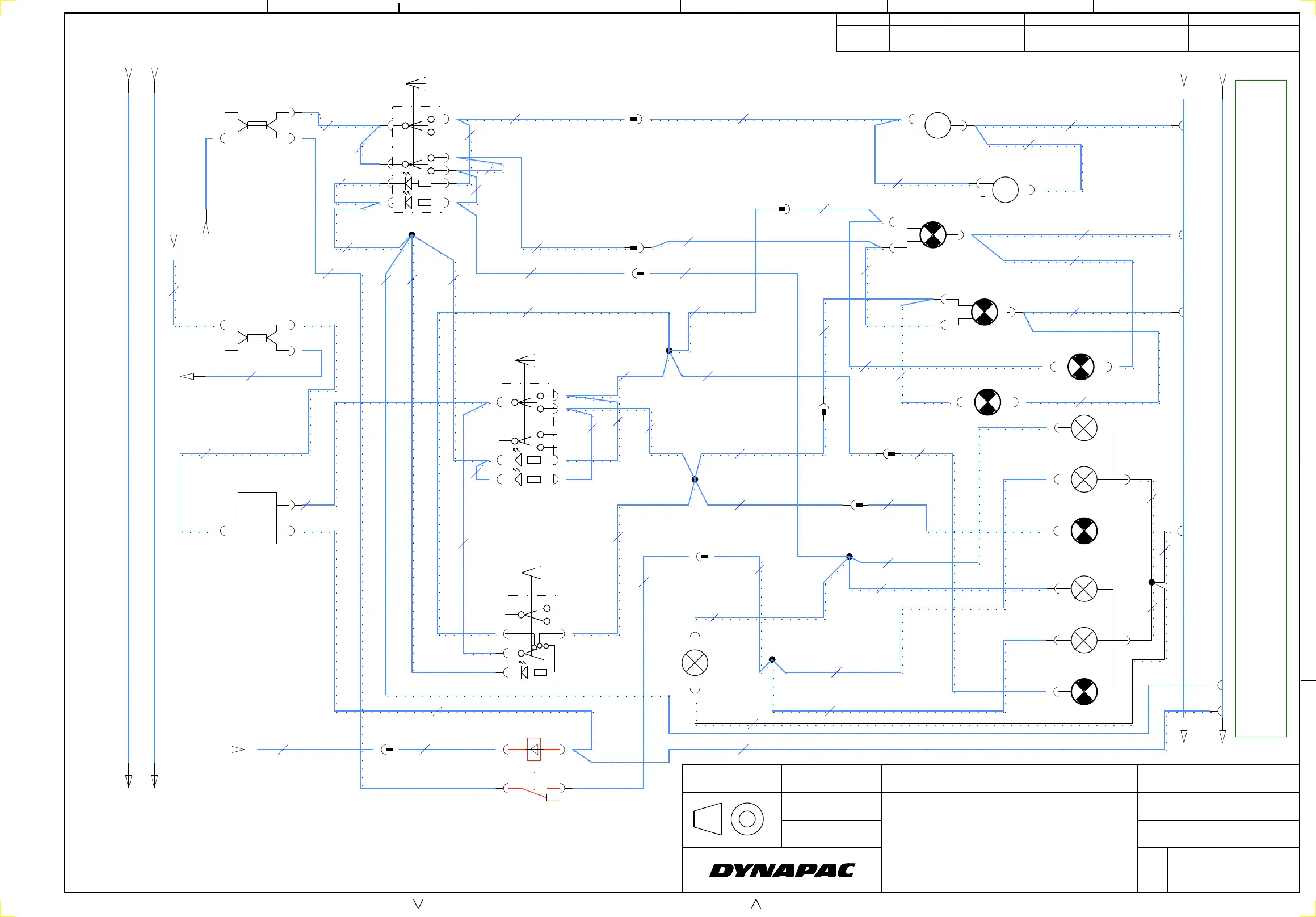
Dynapac CA250 - Driving Light Circuit Diagram

Dynapac CA250
20 pages
Print Icon
To Next Page IconTo Next Page
To Next Page IconTo Next Page
To Previous Page IconTo Previous Page
To Previous Page IconTo Previous Page
Loading...
ThisdocumentwillremainthepropertyofMetsoDynapacAB
andmaynotwithoutthepermissionofthesaidcompanybecopied,
communicatedtoanythirdpartorusedformanufacturingpurposes.
Rev.970401
E
Designed
View
Reg.
Approved
Date
MaterialDesignation
Description
PartNo
No.
Rev.
Scale
Model
Sheet/of
Date
Rev.
ChangeNo.
Pls.
Issuedby
Checked
1
65432
A
D
C
B
/
393809
TKZ/GE
TKZ/LW
20070125
Circuitdiagram
Drivinglight
Kretsschema
Trafikbelysning
CA250T1
6
/7.A1
30.1
/7.A1
15.20
/2.B4
#494.2
S17.X1
18
S17.X1
5
S17.X1
10
S17.X1
17
E10.X1
56A
E9.X1
56A
E13/H15.X2
1
H20.X1
1
H17.X1
1
/1.B1
15.7
X.89
31B.X10
1
E15/H18.X1
1
E15/H18.X2
1
E13/H15.X1
1
31A.X20
1
H20.X2
1
H17.X2
1
E13/H15.X3
1
E15/H18.X3
1
31A.X19
1
31A.X18
1
31A.X23
1
X.6
6
X6
6
l
0
2
5
10
3
1
1718
=Hazardswitch
S17
=Positiondirectionright/front
E15/H18
2
1
3
=Positiondirectionleft/front
E13/H15
2
1
3
30 87
87a
86 85
=Breaklightrelay
K10
K10.X1
85
K10.X1
30
K10.X1
87
X
X
=Headlightright
E10
56A
56B
31
X
X
=Headlightleft
E9
56A
56B
31
K10.X2
1
31B.X9
1
E10.X1
31
E9.X1
31
K9.X1
49
K9.X1
49a
K9.X1
31
1
2
=Registrationplatelamp
E17
K9
=Flashrelay
49A
31
49
=Directionsideright
H20
1
2
=Directionsideleft
H17
1
2
E17.X1
1
E17.X2
1
S16.X1
2
S16.X1
5
S16.X1
7
S16.X1
9
S16.X1
3
S16.X1
4
S16.X1
8
S16.X1
10
S21.X1
2
S21.X1
7
S21.X1
9
S21.X1
3
S21.X1
1
S21.X1
8
S21.X1
10
/5.D1
30
/5.D1
15.12
/5.D6
31.10
/5.D6
31.14
/7.A6
31.22
/7.A6
31.20
/5.C1
15.6
F2.1:1.2
S16.X1
6
1
X.510
1
X.512
1
X.513
X11
1
X.11
1
X.11
2
X11
2
X11
3
X.11
3
X.11
4
X11
4
X.12
1
X12
1
X12
2
X.12
2
X12
3
X.12
3
X.12
4
X12
4
1
X.514
E14/H26/H16
4
1
2
3
E14.X2.1
1
E14.X1.1
1
H26.X1.1
1
H16.X1.1
1
E16/H27/H19
4
1
2
3
E16.X2.1
1
H27.X1.1
1
E16.X1.1
1
H19.X1.1
1
10A
F1.8
8.1
8.2
H.1
H.2
F1.78
8.1
F1.78
H.1
20A
F2.2
2.1
2.2
B.1
B.2
F2.2B1
1
F2.2B2
1
F1.78
H.2
/10.B1
#1631.1
X.26:1
F2.12
2.2
0
l
ll
2
5
7
9
3
1
6
4
8
10
=Headlightswitch
S16
0
l
ll
2
5
7
9
3
1
6
4
8
10
S21
1
X.515
1
X.516
730
BU
0.75mm²
246
RD
120
WH
2.50mm²
121
WH
620
YE
630
YE
960
BK
961
BK
962
BK
963
BK
0.75mm²
964
BK
0.75mm²
965
BK
0.75mm²
966
BK
0.75mm²
967
BK
0.75mm²
661
YE
662
YE
0.75mm²
664
YE
0.75mm²
669
YE
120
WH
2.50mm²
122
WH
650
YE
620
YE
621
YE
669
YE
622
YE
663
YE
665
YE
968
BK
2.50mm²
970
BK
630
YE
671
YE
663
YE
670
YE
969
BK
660
YE
150
WH
972
BK
971
BK
973
BK
244
RD
4.00mm²
623
YE
624
YE
730
BU
661
YE
670
YE
977
BK
980
BK
651
YE
652
YE
650
YE
632
YE
978
BK
976
BK
631
YE
241
RD
4.00mm²
242
RD
669
YE
661
YE
663
YE
670
YE
245
RD
Headlight
Left/front
direction
Right/front
Headlight
Right/front
Direction/
Position
Breaklight
Breaklight
Position
Direction
Direction
Right/rear
Rightrear
Left/rear
Left/rear
Left/rear
Right/rear
Right
direction
Left/front
Direction/
Left
Wire area 1.5 mm unless otherwise stated
Ledningsarea 1.5 mm där annat ej anges
14
49
31
49a
Position/
Position/
side
side

Related product manuals