EasyManua.ls Logo

Dynaudio Audience SUB-20A - Installation

Dynaudio Audience SUB-20A
19 pages
Print Icon
To Next Page IconTo Next Page
To Next Page IconTo Next Page
To Previous Page IconTo Previous Page
To Previous Page IconTo Previous Page
Loading...
Installation
CAUTION Switch off all equipment before any installation!
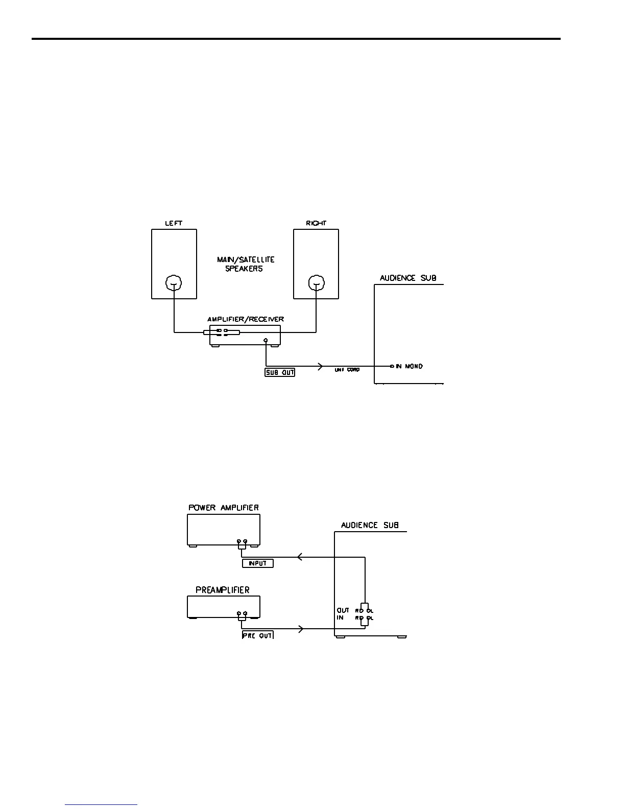
If the sound system has a SUB OUT terminal (or equivalent), connect the subwoofer to this
terminal.
(Fig. A)
If the system does not have a SUB OUT terminal (or equivalent), connect the subwoofer
input to the PRE OUT terminal on the equipment (Fig. B).
(Fig. B)
The subwoofer can also be used together with small main speakers, as in subwoofer/satellite
systems.
When used in a subwoofer/satellite system together with a preamplifier and a power amplifier
(Fig. B), the signal from the output terminals of the subwoofer should be connected to the
amplifier input. Using the output terminals on the subwoofer enables the removal of low

Related product manuals