EasyManua.ls Logo

E-T-A PowerPlex Web Server WS300 - Scope of Delivery; Terminals and Interfaces

E-T-A PowerPlex Web Server WS300
24 pages
Print Icon
To Next Page IconTo Next Page
To Next Page IconTo Next Page
To Previous Page IconTo Previous Page
To Previous Page IconTo Previous Page
Loading...
16
4.2. Scope of delivery
Standard scope of delivery of the PowerPlex
®
Web Server WS300 is without accessories.
For completion we recommend the following accessories:
USB/CAN converter:
XPP-USBC0
XPP-USBC1 (opto-decoupled)
Connection package:
XPP-CP-110
(contains 4-pole and 6-pole connector casing, 10 x crimp terminal 16 AWG (1.31 mm²))
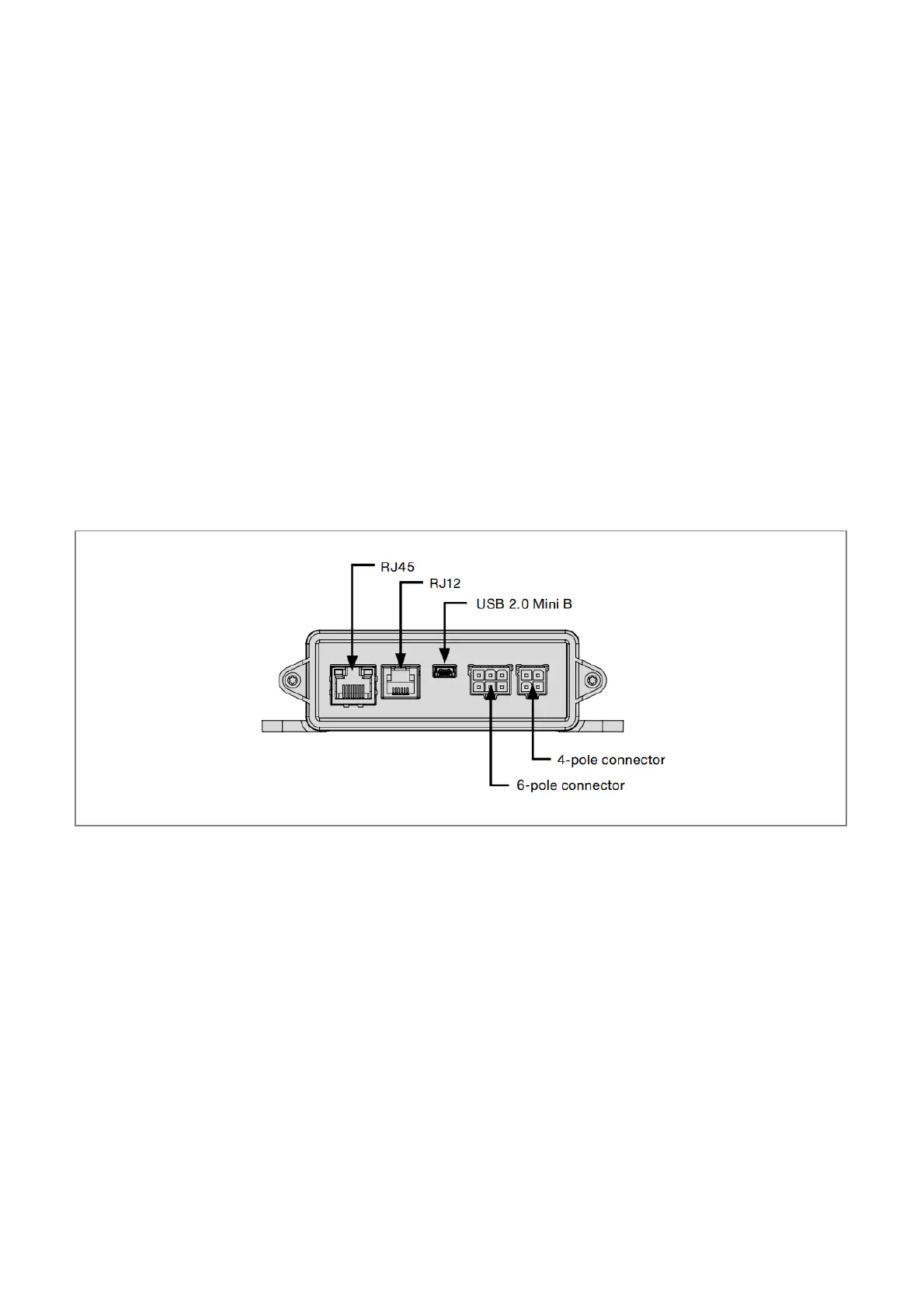
4.3. Terminals and interfaces
Fig. 8 shows an overview of terminals and interfaces of the PowerPlex
®
Web Server.
4-pole connector for power supply
6-pole connector for PowerPlex
®
CAN
RJ45 Ethernet interface
USB 2.0 Service interface
Fig. 8: Terminals and interfaces of the PowerPlex
®
WS300
Pin assignment is explained in detail in the chapter 5.7.